EasyManua.ls Logo

Technics SH-AC500D - Page 27

Technics SH-AC500D
42 pages
Print Icon
To Next Page IconTo Next Page
To Next Page IconTo Next Page
To Previous Page IconTo Previous Page
To Previous Page IconTo Previous Page
Loading...
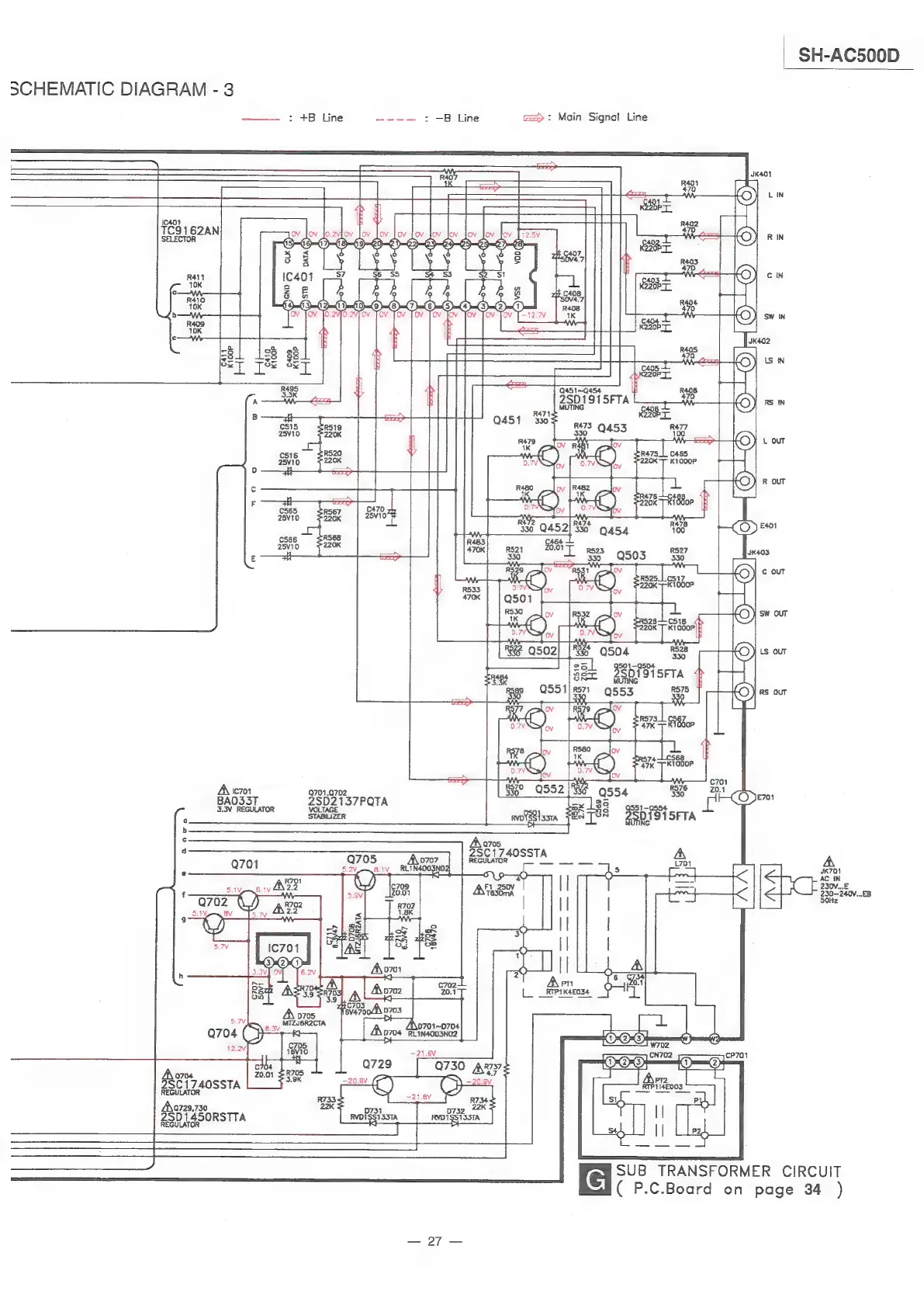
SH-AC500D
SCHEMATIC
DIAGRAM
-
3
:
+B
Line
—--—--—
:
—B
Line
s=z=>:
Main
Signal
Line
c70
ay
1
A\
1c701
Q701,0702
Bee
0552
We
Q554
BS
BAO33T
2SD2137PQTA
9)
rr
f
Cpe
3.V
REGULATOR
VOLTAGE
worissa
220
iT
DISISFTA
1701
A
JK701
AC
IN
230V...E
2350-240V,,,.EB
SOHz
20.
aoqcvo
-20.0v
{7-7
47
-208
DY)
ae
SB
R734
22K
D732
22K
ss
RYDISSISSTA
:
A
Q704
23C1740SSTA
REGULATOR
Ada729,730
23D1450RSTTA
REGULATOR
fey
TRANSFORMER
CIRCUIT
(
P.C.Board
on
page
34
)
57

Other manuals for Technics SH-AC500D

Related product manuals