EasyManua.ls Logo

Technics SH-AC500D - Page 28

Technics SH-AC500D
42 pages
Print Icon
To Next Page IconTo Next Page
To Next Page IconTo Next Page
To Previous Page IconTo Previous Page
To Previous Page IconTo Previous Page
Loading...
SH-AC500D
|
SCHEMATIC
DIAGRAM
-
4
MY
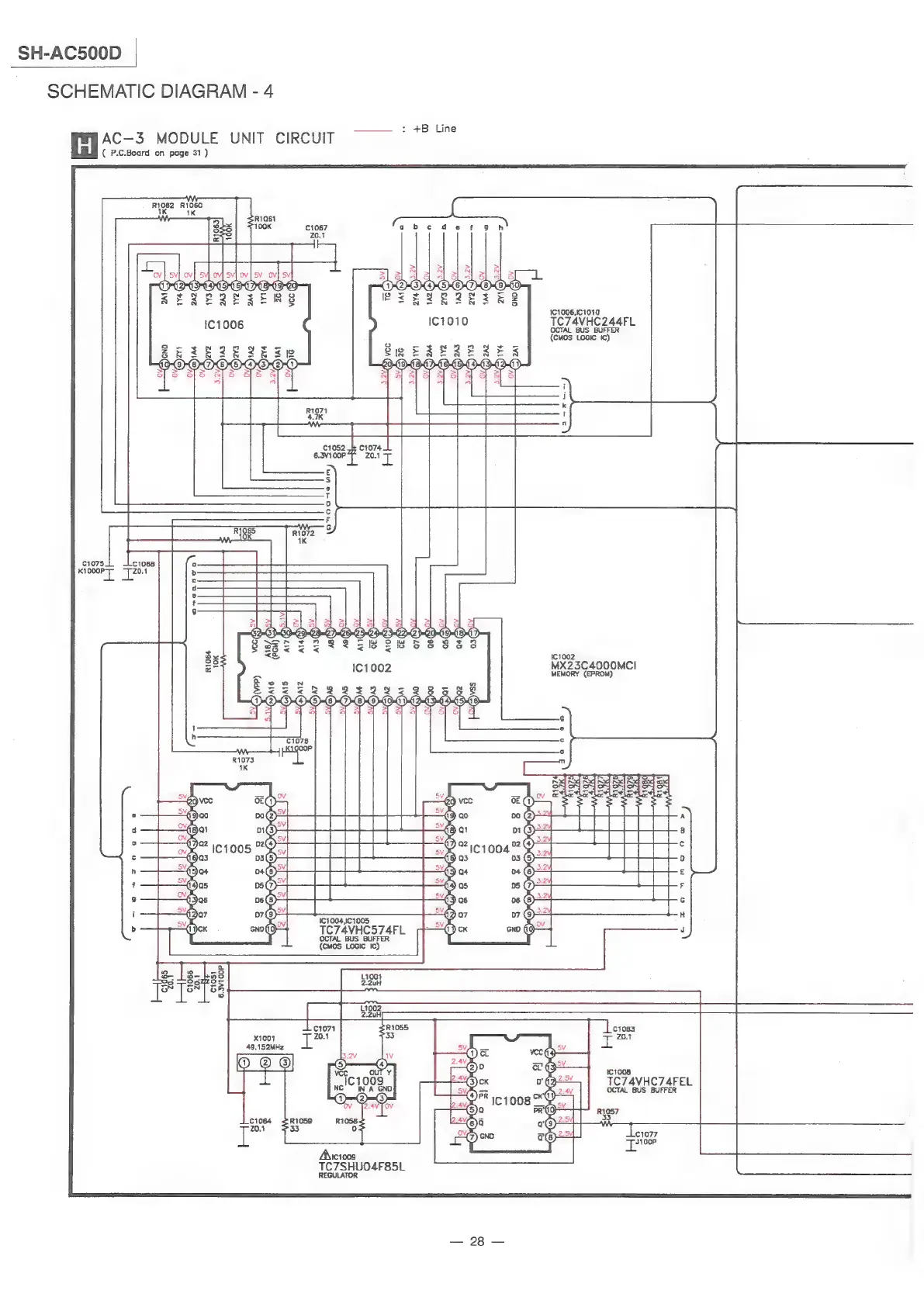
AC-3
MODULE
UNIT
CIRCUIT
~
:
+B
Line
(
P.C.Board
on
page
31
)
R1062
R1D60
1K
1K
|
C1075.
C1088
KioooP
TT
]z0.1
a-Gqang
IC1002
MX23C4C00MCI
MEMORY
(EPROM)
a0ea8
ee
ooss
eee
mew
Ton
101005
ae
M04
2
SS
eee
oe
ezronrmoaag>
5y,
(a5
:
5Y,
re)
©
a
se
|
35
11001
ikea
koala
ra
o
x1001
49,152MHz
Ic1008
TC74VHC74FEL
OCTAL
BUS
BUFFER
TC7SHUO4F85L
REGULATOR
28

Other manuals for Technics SH-AC500D

Related product manuals