EasyManua.ls Logo

Technics SL-P2000 - Page 27

Technics SL-P2000
41 pages
Print Icon
To Next Page IconTo Next Page
To Next Page IconTo Next Page
To Previous Page IconTo Previous Page
To Previous Page IconTo Previous Page
Loading...
1,
TOTXI7T4-A
—™
oy
IGITAL
our
(OPTICAL)
fe
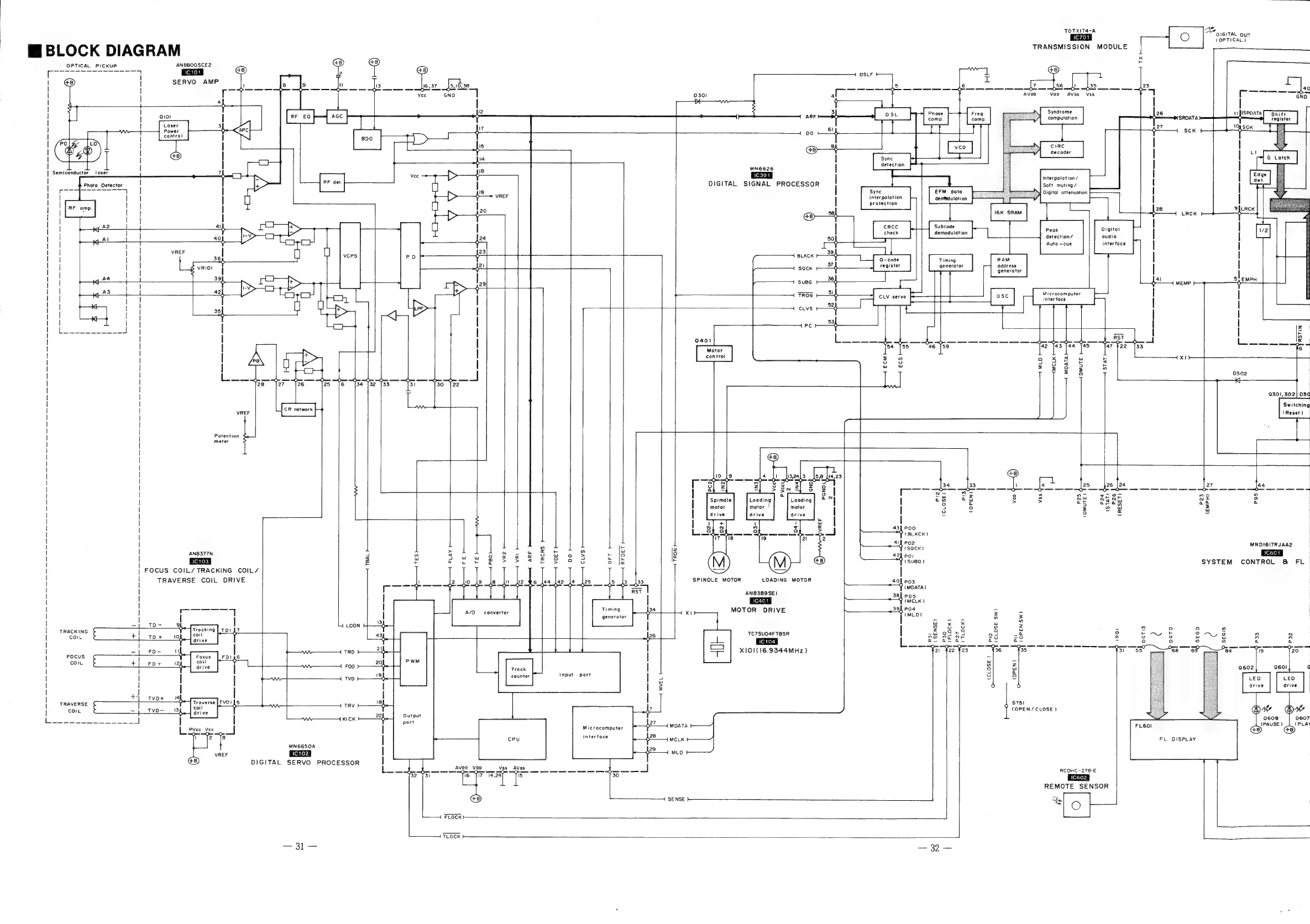
BLOCK
DIAGRAM
TRANSMISSION
MODULE
Pad
OPTICAL
PICKUP
ANBBOOSCE2
G5)
8)
=
pore
eer
eo
4
G8)
iM
G8)
¢s)
af
+
6)
SERVO
AMP
'
a
fo
"
3
__
hie.
37_
2188
SS
88
835
28
—_—~9—
-
——
4
r
Vee
GND
Avood
voo
AVss
Vss
4
12
Syndrome
Q101
|
RF
EQ
AGC
|
,
ne
computation
Laser
3
Power
control
@
°
°
cS
@)
'
|
|
|
|
|
|
|
&
I
|
!
H
I
|
Semiconductor
laser
|
To
|
inductor
jemicency
oon
|
Interpolation
!
ny
eee,
S
DIGITAL
SIGNAL
PROCESSOR
Soft
muting
/
po-4------
4
|
|
|
EFM
data
Digital
attenuation
|
|
|
|
|
[]
interpolation
derdulation
|
|
|
I
|
protection
ty
|
|
Ge)>—_%
|
|
|
L_}
i
A2
|
4)
>
|
Subcode
2
:
he
ee
re
aoe
am
semen
aie
Wl
eee
Pe
46
0
erection
|
+H
Ss
ae:
40h
{Fe}
©
Auto
—cue
interface
|
VREF
39
|
|
scl
U
LI
|
vces
fas
Y
Timi
RAM
o
iming
|
|
37
generator
address
H
|
|
oe
H
le
T
generator
4
Ae
39
||
ia
is
=
>
supa
+284
{_}
I
2
a
oe
af
,
4
Tr
icrocomputer
aa
?
L_He{_}
=
ON
CLV
servo
interface
52
|
|
U
U
4
CLVS
of
leo
,
1
|
I
|
53
i
ee
T
eee
Ao
|
|
|
@401
eee
jC,
Esp
ance
raae
ena
ee,
Se
—-
|
|
54
55
46
[59
a2
\43
[44
[45
aT
|
|
control
vaN
z
gs
582
&
|
|
|
wo
Ww
=
so9
2
a
|
L
ae
oi
oh
|
—_-—+—
a
=
a
|
28
6
134
33
31
30
[22
|
|
|
I
Switching
VREF
(Reset)
|
|
|
!
seieitea
|
meter
;
|
|
|
|
|
|
|
|
|
4
| |
Cv
34
33
1
25
26
|24
|
|
=
=
———
in
i
ers)
es
|
|
eq
|
“a
2B
2
3
Sa
SESE
ae
2
|
|
|
|
Spimdie
Loading
|
a
a
ut
>
>
a
is
afta
ut
aoa
ra
|
|
motor
motor
4
°
S
o
Ww
z
i
|
|
|
3
<
é
~
&
as
|
|
3
is
|
|
=
-
:
|
I
4
&
43]
POO
:
|
Lo
.
a
7
(BLKCK)
|
i a
-
ail
p
|
|
|
i
if
L
i
=
{
toa
L
Aroe.
MNDIGI7TRJAA2
|
!
H
AN8377N
5
a
%
Ae
ode
Ses
oo
the
A
ME
eS
-
|S
6
42]
po!
|
|
|
Z
w 3
ow
w
GS
& &
ce
oO
a w
fo
=
Fe)
|
ORTON}
Fe)
w
aque
@
>
=
@
fF
S$
a
g
rials
7
¢8)
(SUBO)
SYSTEM
CONTROL
&
FL.
|
|
FOCUS
COIL/TRACKING
COIL/
7
y T
T
7
|
|
|
TRAVERSE
COIL
DRIVE
SPINDLE
MOTOR
LOADING
MOTOR
40}
Pos
|
7
(MOATA)
AN8389SE!
|
38]
pos
|
|
(MCLK)
|
SS
Timing
MOTOR
DRIVE
39)
Pos
=
,
A/D
converte
fp
XI
¢
=
|
|
i
aes
generator
|
{MEO?
be
_
3 z
!
wo
<
&
w
LOON
ao
o
oO
2
ra)
Trackin
TOI
z
Q
w
-
"
fo}
°
oQ
TRACKING
Tracking
1
To
a
TC7SUO4FTA5R
|
au
3o
no
on
-8
3
ews
eA
&
|
rive
L
Ge
6
et
ae
a?
ze
=
ry
rs
a
a
_——.
_
-———
SS
OPO
|
ean
c=
X101{16.9344MHz)
Zi
t22
¥23
36
35
Par
S58
Sa
&
34
|
FOCUS
ia
i
'
a
2
|
com
he
WA
FOO
F
3
re
2608
wal.
a
oO
|
TV
S
©
|
|
|
S751
|
TRAVERSE
TRV
(OPEN/CLOSE
)
COIL
|
KICK
J
Output
L_wyy—_4
Bie
2S
nt
att
oS
ne
port
|
Microcomputer
MDATA
|
intertoce
MLK
FL
OISPLAY
MN6650A
veer
|
mo
DIGITAL
SERVO
PROCESSOR
|
Los
Aveo
_voo
vss
aves
Od
RCOHC-278-E
16
{i7
14,24
15
30
REMOTE
SENSOR
48)
SENSE
+
Se
4
FLOCK}
TLOCK
}>——___——
==
3heS
==
99
oe

Related product manuals