EasyManua.ls Logo

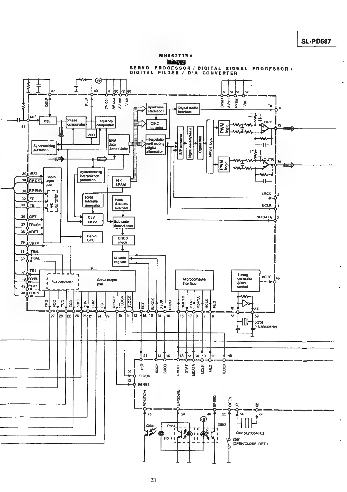
Technics SL-PD665 - System Architecture; Servo Processor Block Diagram

Technics SL-PD665
41 pages
Print Icon
To Next Page IconTo Next Page
To Next Page IconTo Next Page
To Previous Page IconTo Previous Page
To Previous Page IconTo Previous Page
Loading...
SL-PD687
MN66271RA
SERVO
PROCESSOR
/
DIGITAL
SIGNAL
PROCESSOR
/
DIGITAL
FILTER
/
D/A
CONVERTER
X401(4.2336MHz)
$551
(OPEN/CLOSE
DET)
a=

Related product manuals