EasyManua.ls Logo

Technics SL-PJ27 - Page 21

Technics SL-PJ27
36 pages
Print Icon
To Next Page IconTo Next Page
To Next Page IconTo Next Page
To Previous Page IconTo Previous Page
To Previous Page IconTo Previous Page
Loading...
™@
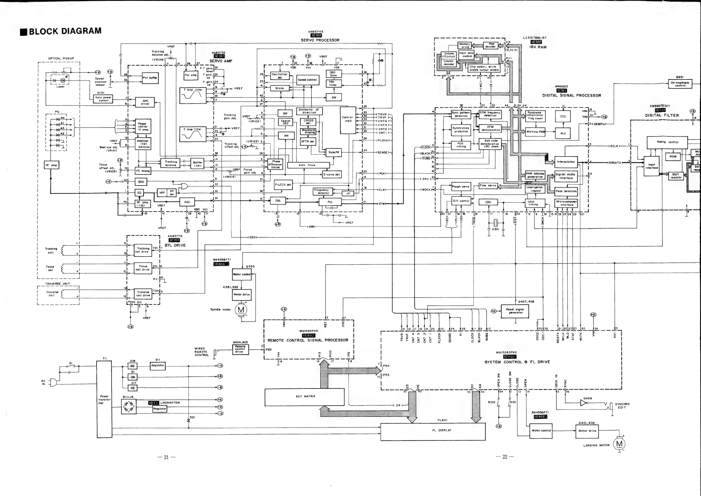
BLOCK
DIAGRAM
OPTICAL
PICKUP
Position
sensor
Qiol
Auto
power
contor!
VREF
Best
eye
adj.
(VRION
|
52
28
I
i
14
at
nn
GN
pa
ed
alanc
(x4)
offset
adj.
12
v
$
(VRIOS)
o
[wer
Aen
ae
al
Fea
omeh
|
(vRI04)
—4
37
ro
|
|
|
|
|
|
VREF
|
€8)
|
|
aaa
anand
AN8377N
e
!
?
|
BTL
DRIVE
Tracking
\
Tracking
|TO!
27
i
coil
drive
coi
+
10s
|
BA4SS58FTI
=
1C4)
Focus
0353
coil
4!
t
‘Motor
control
ES
a
hr
|
TRAVERSE
UNIT
[ese
ss
=
=]
Q351,352
|
Traverse
|
coil
+l
|
byeetes
eee
See
a
Hy
Spindle
motor
@8)
cr
Pas
3
2
a
|
5
@
|
MNISSOPKH
0404,4085
|
REMOTE
CONTROL
SIGNAL
PROCESSOR
:
Re
t
wineo
ar
Mee
Ihe
REMOTE
drive
an
a
S
°o
CONTROL
2
a
a
©
Vo
eee
mS
s!
10
oS
AC
IN
VREF
Tracking
balance
adj.
(VRIO6)
i}
10
p-------3-
F.T
ga
T
loop
tilter
F
loop
filter
Addition
(X2)
AN8374S
rom
tey4
SERVO
PROCESSOR
AN8373S
SERVO
AMP
i
—_
indz6
down
in
T
gain
hes
F
ga
up
up
in
24
4'9
VREF
8
6
&
U
22
1
Tracking
gain
adj.
o
VREF
?
(VRIO3)
3
|
Tracking
offset
adj.
8)
voo
|
-
DED
39,
:
Speed
controi
234
oy
=]
ga
é d
[—
Distinctin
of
direction
bbe
eee
Control
KEY
MATRIX
i
ae
15
TRVR
D
16
o
uw
>
&
e
Sync.
pattern
tion
Chip
select,
write
enable
output
enable
LC3517BMLI5T
tot
I6K
RAM
Syndrome
computation
flag
count
X301
7
CNT
49
CNT
30
és)
generator
18
}I9
120
23
2
i
12
55956
ba
nOoue
adem
md
Go SO
be
cas
ee
ee
ee
ul
a
-
*
w
x
x
9
un
=
&
a
& S o
Oo
0
QOD
BE
39
G
5
5%
3
66
So
@
o
o a
MNI5283PKG
fic4o1
|
SYSTEM
CONTROL
&
FL
DRIVE
zs
&
2
wow
z
oO ao
z
fe
8
8
3
a
°
oO
8
°o
a
ce
ee
ee
es
ee
ee
oe
=:
a
oe
64
!
14
$102
siol
9 9
BA4556FTI
FL6OI
+5)
FL
DISPLAY
Reset
signal
Motor
control
oss!
MN6625,
control
DIGITAL
SIGNAL
PROCESSOR
he
SMSSOTESET
ves
b'
von
b33
DIGITAL
FILTER
ke
p-———-------—-—+4
934
DEMPH.
a
|
|
ALU
|
Timing
control
?
SRDATA
€8)
erleclesher
60
54
5
eo
ee
ey
Fada
&
$
o
as*5
3
|
7s
|
|
|
!
I
|
z
x
9
I
3
2
|
a
8
J
SYNCHRO
EDIT
Q401,402
LOADING
MOTOR

Related product manuals