EasyManua.ls Logo

Technics SU-X911 - Page 11

Technics SU-X911
23 pages
Print Icon
To Next Page IconTo Next Page
To Next Page IconTo Next Page
To Previous Page IconTo Previous Page
To Previous Page IconTo Previous Page
Loading...
SU-X911
SU-X911
m@
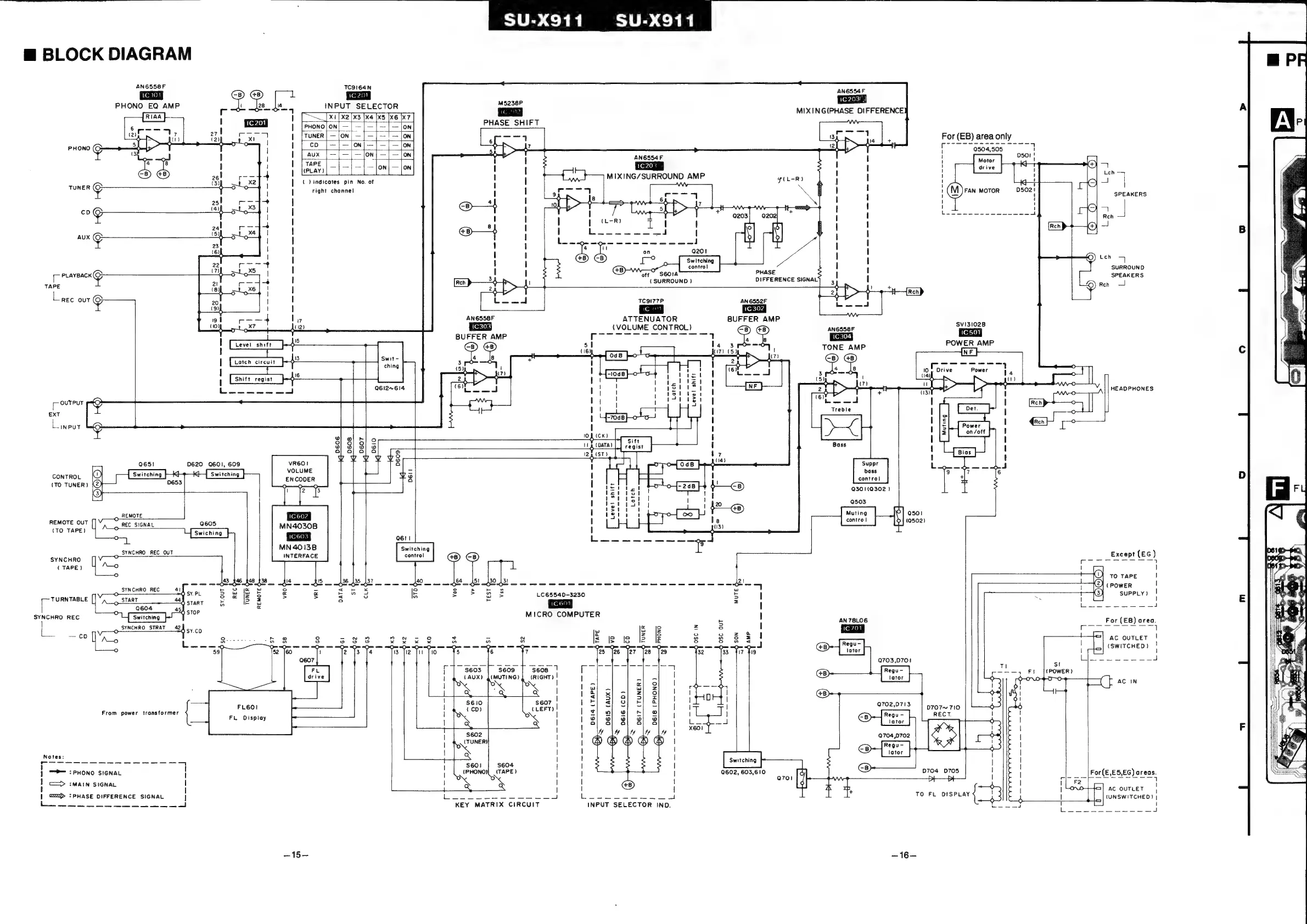
BLOCK
DIAGRAM
AN6558F
TC9I64N
AN6554F
1c20
M5238P
PHONO
EQ
AMP
ray
INPUT
SELECTOR
MIXING(PHASE
DIFFERENCE
Gy
1
PHASE
SHIFT
alo
p--4
\
For
(EB)
area
only
oO
(2)
xl
|
re
lane
sheen
aeleal
5
5
rl>
?
nin
I
504,505
PHONO
(O
omy
|
:
501!
cE
i
I
|
AN6554F
I
'
¢
i
4
8
1
jl
|
I
1
ie
nek
Ca)
gt
gees
1
MIXING/SURROUND
AMP
|
gl
go
|
(3)
x2
j
|
(
)
indicates
pin
No.
of
:
\
1
+38
Bagel
TUNER
Cr
°
I
right
channel.
\
:
FAN
MOTO!
SPEAKERS
'
asl
ere
(ape
I
t
|
:
Sin
|
cD
SSS
are
°
|
I
|
ROS
Seta
Sessa
ee
=
|
Reh
!
Leon
i
I
I
!
[Reh
|
+
B
zal
1x4
a
|
|
bese
So
ed
\
\
I]
o$—_—_____—__#s
o
AUX
g
:
|
Bg
A
UOT
a
Tic
iS
id
=
oe
I
(ef
I
|
O)
tch
4
~_—
!
!
SURROUND
fe
1
xs
s
|
PHASE
|
!
SPEAKERS
pee
:
ea
aces
te
CSURRGUNDL
DIFFERENCE
SIGNAL}
I
pee
cel
t
ia
ee
gi
-
|
|
ee.
=
REC
ouT
OQ
!
TC9I77P
AN6552F
v
%
i
|
4
ae
aa
AN6SS8F
ATTENUATOR
BUFFER
AMP
ave
(On
x7
Aii2)
(VOLUME
CONTROL)
C8)
6)
AN6S58F
z
BUFFER
AMP
r
‘|
i
le
SAMeR
ae
i
4
5
4
3
pOr=0
CB)
+8)
;
UN
oreo
toe]
Came
ere
7
TONE
AMP
Cc
d
owe
i
-
|
an;
co
fee
ae
;
(5)
f
,
I
H
a
int
+4
be
4
Q612+614
1
I
24
>
°
A
TED
}
HEADPHONES
1
I
I
rovreur
tf]
Cenck
|
ca
a
en
}
1
I
Power
!
Lineur
LS
!
!
!
on/off
!
I
!
8
1
Bass
1
a
'
p
Lees]
'
|
&
Suppr
L
J
VR601!
=
ee
VOLUME
!
bass
9
7,
6
D
CONTROL
!
control
4
ENCODER
|
(TO
TUNER)
;
0301(Q302
)
I
Q503
!
Muting
Q501
ry
ie
contol
(9502)
peel
Mn40308
|
i
0611
(eS
MN
40138
lg
sates)
INTERFACE
control
|
GB)
CB)
TT
CURT
LES
.
SYNCHRO
Gs)
C8)
tS
|
(TAPE)
TO
TAPE
|
t
!
|
am
—Oh.63.40
0
~
48!
439.
Be
ee
8
4
1
(POWER
aug
<&s
2
8
S$
&
38
=
SUPPLY)
Bb
S
ye
$
$
LC6554D-3230
5
|
NS
\
!
E
es
q
é
e
=
|
Lane
ei
ot
at
4
SYNCHRO
REC
MICRO:
COMPUTER
e
!
AN
78LO6
For
(EB)
area.
me
°6CUC
CO
———“‘“‘“‘“iéssSC
lili
a
te
et
its
tet
Sager
Sat
nes
a
SYNCHRO
STRAT
42
©
|
cp
:
a
é
=
ue
8
]
ac
outLceT
!
oo
[]
A~o
Bet
2e
es
5
8
3
s
8
8
22
=
ge
a
a
5
ny
ad
J
(SWITCHED)
L——o
Yet
3
V2
Gn
|
(|
A
|
(a
(er
J
ans
(OG
ane
one
eee
fe
forte
seos
|
(RIGHT)
|
AC
IN
|
x}
-
$607
|
2
o
D707~
710
FL6OI
(LEFT)
|
o|
©
From
power
transformer
.
2)
=
FL
Display
|
2
2
a
F
|
|
|
|
Notes
|
(eee
eee
"7
|
D704
0705
For(E,E5,EG)
areas.
H
mbes
PHONOSIGHKE
(TAPE)
0602,603,610
ae
t
__|For(E,E5,E)
¢
coat,
<=>
IMAIN
SIGNAL
|
AC
OUTLET
|
|
(UNSWITCHED)
|
|
@Z2>
?PHASE
DIFFERENCE
SIGNAL
f]
Ue
asia
tees
Meese
he
ae
eae
eae
4
Let
este
ee
me
ed
!
|
ene
CRO
a
Sees
DS
oe
oe
eee
KEY
MATRIX
CIRCUIT
INPUT
SELECTOR
INO.
Le
Sd
etn
cen
Hoke
tae
oN
—15-—
=16=

Related product manuals