EasyManua.ls Logo

Technics SX-PR1000 - Page 124

Technics SX-PR1000
125 pages
Print Icon
To Next Page IconTo Next Page
To Next Page IconTo Next Page
To Previous Page IconTo Previous Page
To Previous Page IconTo Previous Page
Loading...
JK1
PEDAL IN
MIDI OUT
MIDI IN
JK4
JK3
JK5
MIDI THRU
R15
R17
L21
1
2
3
4
5
6
7
8
9
10
MAC
PC1
PC2
MIDI
MSEL
TXD-
TXD+
E
RXD+
RXD-
CN3
1
2
3
4
5
AUXR
AUXL
E
LOR
LOL
CN1
2
3
4
1
2
3
4
1
2
3
4
1
2
3
4
L8
L9
R10
R11
R13
R14
C6
C7
C8
C9
R7
R8
C11
C10
+5D
L12
W2
L11
W1
W3
C1
L7
R1
+5D
+5D
R2
D1
D2
C2
+5D
+5D
L14
Q1
1
2
3
4
5
6
7
CN2
SOFT
SUST
SOSU
E
+5D
MRXD
MTXD
C3
D4
IC1
R5
D5
L5
C4
C5
R3
R4
D3
L6
R16
JK7
JK6
JK9
JK8
AUX R/R+L
AUX L
LINE OUT L
LINE OUT R/R+L
Q2
L13
1
5
3
1
2
6 4
1,7,8
2
3
4
5
MAC
PC1
PC2
MIDI
COMPUTER
SW1
1
6
3
4
7
5
8
2
10
11
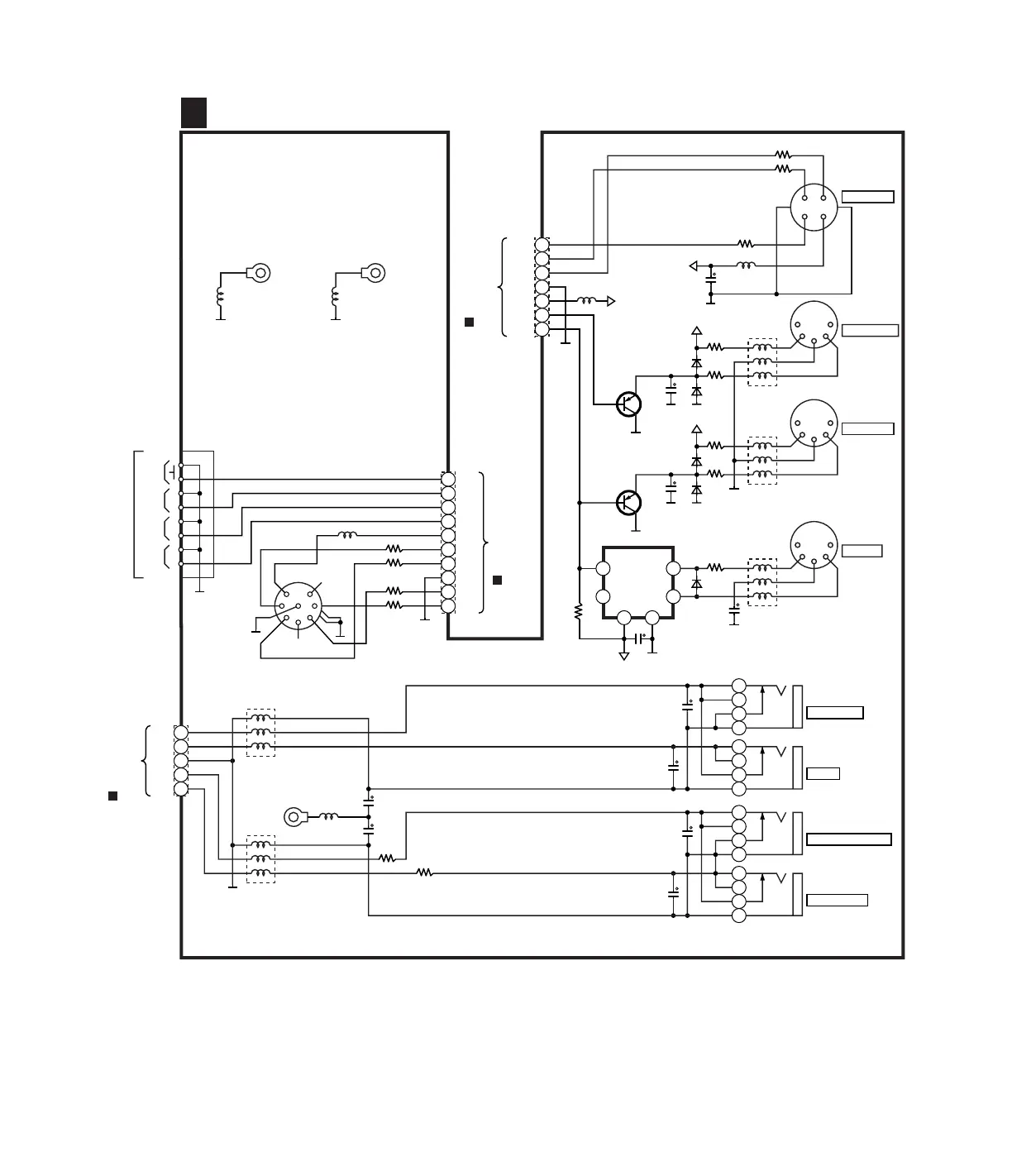
JACK CIRCUIT
J
QLQGT1B100MA QLQGT1B100MA
QLQGT1B100MAL10
470
470
470
470
JK2
130uHx3
130uHx3
0.1
0.1
680
680
QLQGT1B100MA
2200P
2200P
2200P
2200P
0.1
R6
330 0.1
SVIGTLP513
(PHOTO COUPLER)
220
130uHx3
2SA933STRS
220P
2SA933STRS
220P
150
33
130uHx3
130uHx3
68
68
0.1
1K
QLBG005A
1K
1K
QLQGT1B800MA
UNLESS OTHERWISE SPECIFIED:
DIODES ARE MA165TA5VT.
SCHEMATIC DIAGRAM-33
TO MAIN3/4 CIRCUIT
(CN204) ON SCHEMATIC
DIAGRAM 12
A
TO MAIN2/4 CIRCUIT
(CN103) ON SCHEMATIC
DIAGRAM 7
A
TO MAIN2/4 CIRCUIT
(CN105) ON SCHEMATIC
DIAGRAM 9
A
SX-PR1000
JACK SCHEMATIC DIAGRAM

Related product manuals