EasyManua.ls Logo

Technics SX-PR53 - Removing Speaker Boxes and Speakers; Self-Diagnostic Functions

Technics SX-PR53
109 pages
Print Icon
To Next Page IconTo Next Page
To Next Page IconTo Next Page
To Previous Page IconTo Previous Page
To Previous Page IconTo Previous Page
Loading...
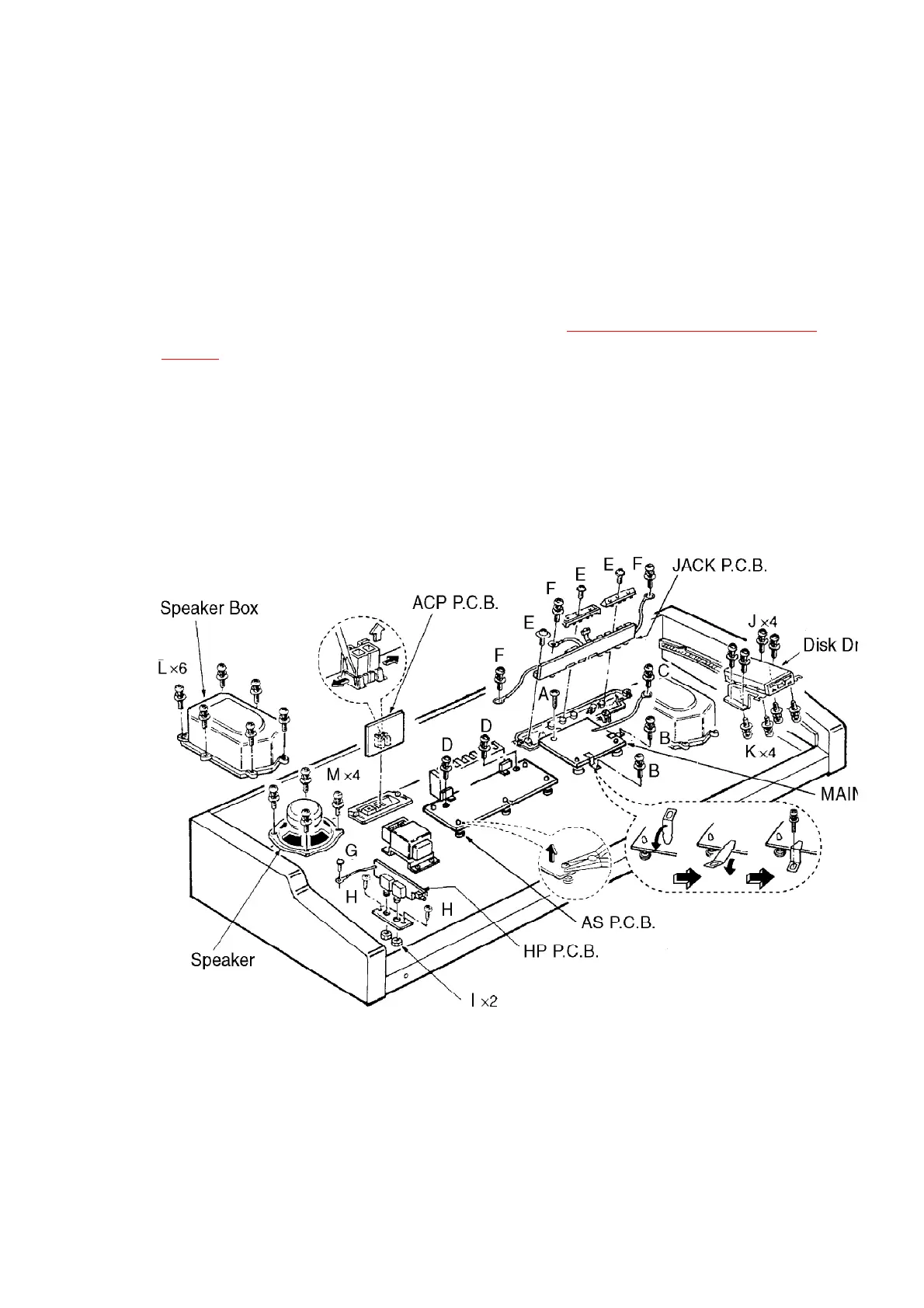
3. Remove the chassis on which Disk Drive unit is attached (J x 4
pcs.).
4. Remove the Disk Drive unit mounting screws (K x 4 pcs.).
6.10. Removing the speaker boxes and speakers
Removing the speaker box
1. Remove the keyboard cover (see step ā€œRemoving the keyboard
cover ā€).
2. Remove the speaker box mounting screws (L x 6 pcs.).
Removing the speaker
1. Remove the speaker box.
2. Remove the speaker mounting screws (M x 4 pcs.).
Figure-12
7. SELF-DIAGNOSTIC FUNCTIONS
This model has some self-diagnostic capabilities. When set to the self-diagnostic mode,
operation of various components can be verified by following the procedures in the chart below.

Related product manuals