EasyManua.ls Logo

Technics SX-PR53 - Page 75

Technics SX-PR53
109 pages
Print Icon
To Next Page IconTo Next Page
To Next Page IconTo Next Page
To Previous Page IconTo Previous Page
To Previous Page IconTo Previous Page
Loading...
ï
î
í
ì
ë
ê
é
ßËÈÎ
ßËÈÔ
Û
Û
Û
ÔÑÎ
ÔÑÔ
ÝÒî
î
ì
ï
î
ì
ï
î
ì
ï
î
ì
Ôì
Ôë
Éí
Ýïî
Ýïï
ÝïêÛí
Îîï
Îîî
Ýïì
Ýïë
ÖÕë
ÖÕê
ÖÕé
ÖÕè
ßËÈ ÎñÎõÔ
ßËÈ Ô
Ô×ÒÛ ÑËÌ Ô
Ô×ÒÛ ÑËÌ ÎñÎõÔ
ï
ïëð«Ø¨í
ïëð«Ø¨í
Ýïí
ðòï
ðòï
êèð
êèð
ÏÛÈÙÎßðïðïðÖ
îîððÐ
îîððÐ
îîððÐ
îîððÐ
ï
î
í
ì
ë
ê
é
è
ç
ïð
õë
õë
Û
ÍÑÚÌ
ÍÑÍË
ÍËÍÌ
ÓÎÈÜ
ÓÌÈÜ
ÓÍÒÍ
Û
ÝÒï
ï
ï
î
î
ì
ì
í
í
ë
ë
Ôí
Ôî
Ôé
õëÓ×
ïëð«Ø¨í
Ýî
ðòï
Îï
ïÕ
Îë
ïÕ
ïëð«Ø¨í
Ôï
ÖÕì
ÖÕí
ÖÕï
Ýì
Ïï
×Ýï
Ïî
ðòï
Ýí
ðòï
Îì
ìéÕ
Îé
ïÕ
Ýê
îîðÐ
Ýè
ðòï
Ýé
ðòðìé
Îïé
ííð
ÎïëÜê
Üé
õëÓ×
õëÓ×
Üì
ÓßïêëÌßëÊÌ
ÓßïêëÌßëÊÌ
ÓßïêëÌßëÊÌ
îÍßçííÍÌÎÍ
îÍßçííÍÌÎÍ
ÍÊ×ÙÌÔÐëïí
øÐØÑÌÑ ÝÑËÐÔÛÎ÷
ÐØÑÌÑ
ÝÑËÐÔÛÎ
ïððÕ
Îïí
ïëð
Ýï
ðòï
õëÓ×
Îî
ïÕ
Îïì
íí
Îê
ïÕ
Îïê
îîð
ÐÛÜßÔ ×Ò
Ó×Ü× ÑËÌ
Ó×Ü× ×Ò
ï
î
ì
í
ë
ï
î
ë
í
ì ê
Éî
Ûî
Ûï
Éï
ÏÛÈÙÎßðïððëß
ÏÛÈÙÎßðïððëß
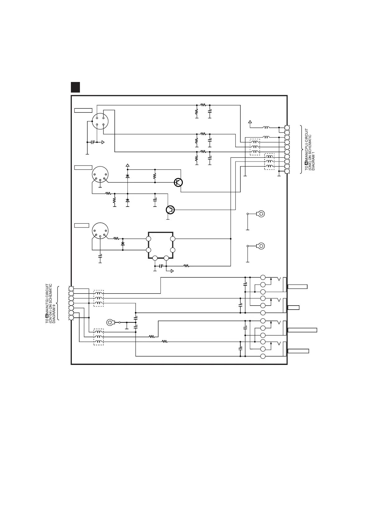
ÖßÝÕ Ý×ÎÝË×Ì
Ø
ÍÝØÛÓßÌ×Ý Ü×ßÙÎßÓóîê
ÏÔÏÙÌïÞêððÓß
ÏÔÞÙððîß

Related product manuals