EasyManua.ls Logo

Technics SX-PR603 - Page 115

Technics SX-PR603
125 pages
Print Icon
To Next Page IconTo Next Page
To Next Page IconTo Next Page
To Previous Page IconTo Previous Page
To Previous Page IconTo Previous Page
Loading...
IC3
R29
100
C10
0.1P
R30
100
R37
100
R38
100
AB I JKL
R39
100
R40
100
+5IP
14
7
12
13
10
11
8
9
6
5
4
3
2
1
VCC
GND
74LS07
(HEX BUFFERS)
MULTI
EFFECT
SW13
D13
CHORUS
SW14
D14
REVERB
SW15
D15
DIGTAL
EFFECT
SW16
D16
SOLD
SW17
D17
BRILLIANCE
SW18
D18
SOUND
GROOP 3
SOUND
GROOP 4
SOUND
GROOP 5
SOUND
GROOP 6
SOUND
GROOP 7
D73
LN282RPXVTX3
D85
LN282RPXVTX3
DSP EFECT
D97
LN282RPXVTX3
D107
PANEL
MEMORY 1
PANEL
MEMORY 2
PANEL
MEMORY 3
PANEL
MEMORY 4
PANEL
MEMORY 5
D117
LN282RPXVTX3
ELECTRIC
MIXTURES
SW19
D19
GUTAR&
HARPSI
SW20
D20
MALLET&
CRCHPERC
SW21
D21
BASS
SW22
D22
DRUMKITS
SW23
D23
MEMORY
SW24
D24
D74
LN282RPXVTX3
D86
LN282RPXVTX3
PIANO
ILLUSION
D98
LN282RPXVTX3
D108
D118
LN282RPXVTX3
MODERN
GRAND
SW25
D25
UPLIGHT
SW26
D26
ELECTRIC
SW27
D27
MODERN
SW28
D28
D75
LN282RPXVTX3
D87
LN282RPXVTX3
DIGITAL
REVERB
D99
LN282RPXVTX3
CONDUCTOR
LEFT
CONDUCTOR
RIGHT 2
CONDUCTOR
RIGHT 1
D109
PA RT
SELECT
PA RT
SELECT
PA RT
SELECT
SW32
D32
SW33
D33
SW34
D34
TRANSPOSE -
TRANSPOSE +
SW35
D35
SW36
D36
R1/R2
OCTAVE -
R1/R2
OCTAVE +
SW37
D37
SW38
D38
TECHNICORD
SW39
D39
D76
LN282RPXVTX3
D88
LN382GPXVTX3
PLAY
D100
LN282RPXVTX3
D110
PAG E
DOWN
SW40
D40
PAG E
UP
SW41
D41
DISPLAY
HOLD
SW42
D42
EXIT
SW43
D43
CONDUCTOR
LEFT
SW44
D44
CONDUCTOR
RIGHT 2
CONDUCTOR
RIGHT 1
SW45
D45
SW46
D46
D77
LN282RPXVTX3
D89
LN382GPXVTX3
EASY REC
D101
LN282RPXVTX3
D111
LN382GPXVTX3LN382GPXVTX3LN382GPXVTX3LN382GPXVTX3LN382GPXVTX3
PA RT
SELECT 2
PA RT
SELECT 3
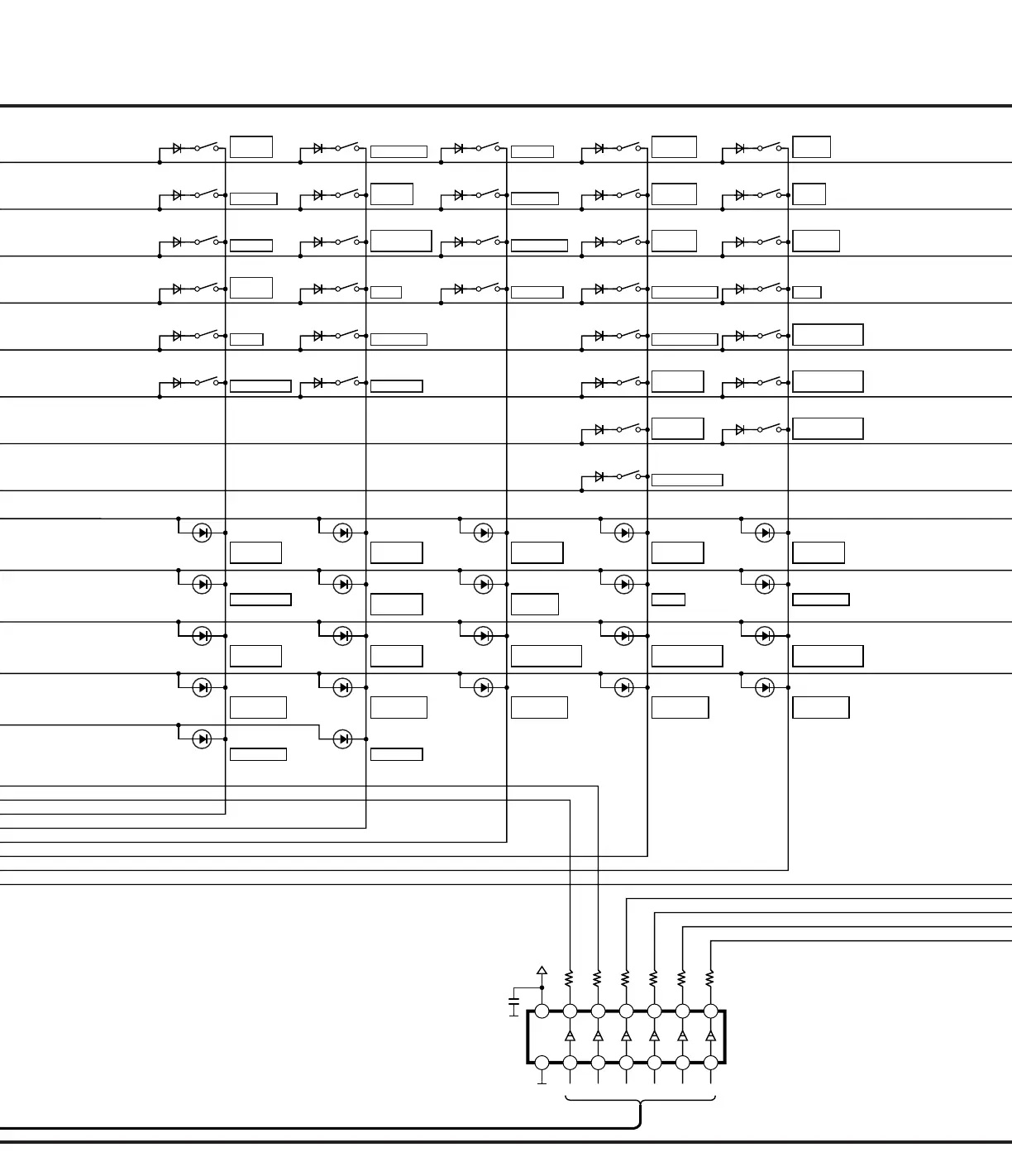
SCHEMATIC DIAGRAM-23

Related product manuals