EasyManua.ls Logo

Technics SX-PR603 - Page 67

Technics SX-PR603
125 pages
Print Icon
To Next Page IconTo Next Page
To Next Page IconTo Next Page
To Previous Page IconTo Previous Page
To Previous Page IconTo Previous Page
Loading...
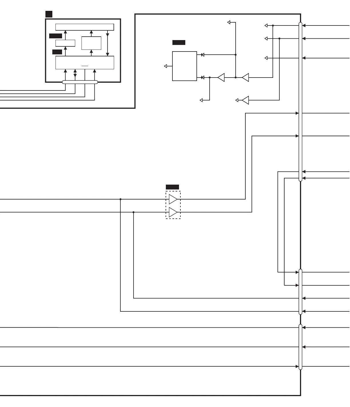
CN203
CN204
CN105
MEMORY
BACK UP
IC209
CN1
DATA,SCK
Q1-5
SWITCHES & LEDS
BUFFER
LED
DRIVER
8BIT MICROCOMPUTER
SEG0-SEG11 CM0-CM4 SW0-SW7
RST AD0
CPRD
IC1
IC2,3
Q205
+5A
REGULATOR
+5D
REGULATOR
-15A
+5A
+15A
+VCC
Q206,208
+3.3D
REGULATOR
Q201,203
Q210,C258
D220
D219
+5D
+3.3D
+3.3BB
IC208

Related product manuals