EasyManua.ls Logo

Technics SX-PR603 - Page 68

Technics SX-PR603
125 pages
Print Icon
To Next Page IconTo Next Page
To Next Page IconTo Next Page
To Previous Page IconTo Previous Page
To Previous Page IconTo Previous Page
Loading...
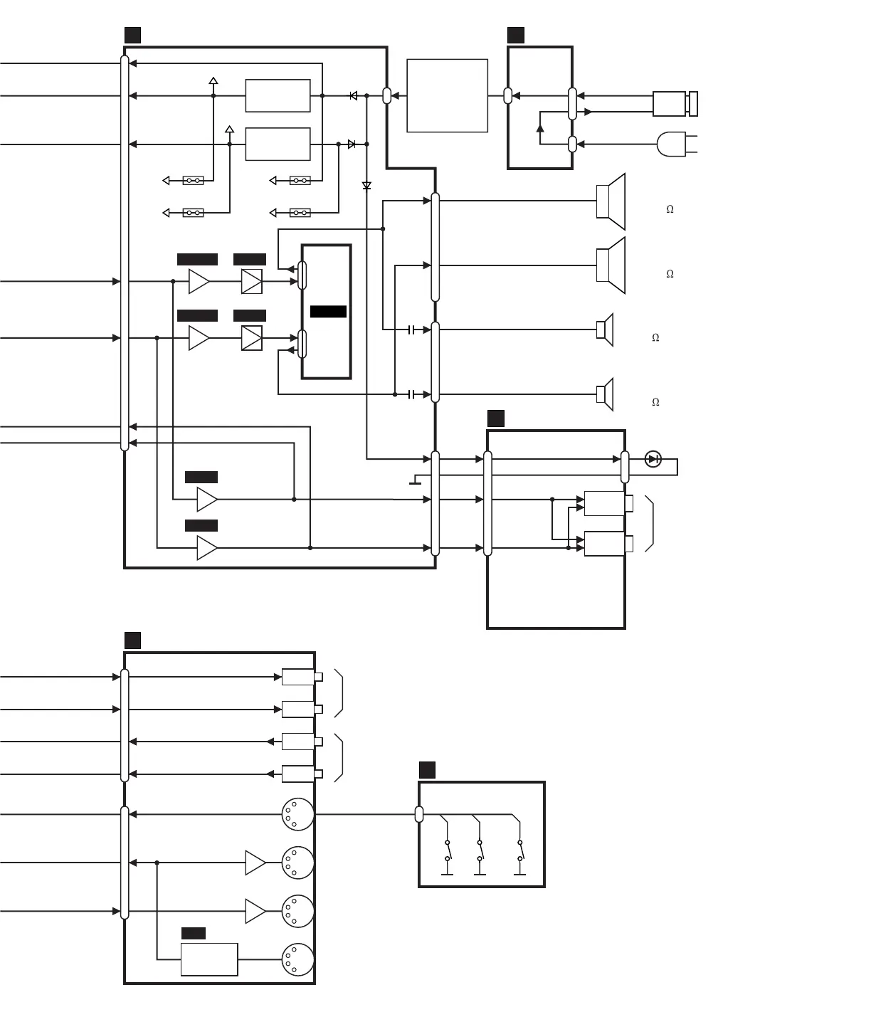
EQUALIZING POWER
AMPLIFIER
JACK (2/2)
J
CN1
CN4
CN5
CN2
T1
POWER
TRANSFORMER
+15V
REGULATOR
-15V
REGULATOR
SW1
POWER SWITCH
CN1
JK1
AC CORD
ACPL
AS
B
SOFT SOSUTENUTO SUSTAIN
CN1
PKBG
LINE OUT
AUX IN
Q2
L
JK9
JK8
R
JK6
L
JK7
R
MIDI
OUT
MIDI
IN
JK3
JK4
PEDAL IN
Q1
MIDI THRU
JK5
JK1
PHOTO
COUPLER
IC1
IC2,3,4 IC8,9
IC8,9IC5,6,7
IC1B
IC1A
CN1
CN2
Q1,2
Q3,4
Q12,13
Q14,16
IP3,7
+VCC
-VCC
+15A
-15A
IP4,8
IP5
+15
-15
IP6
POWER
INDICATOR
HEADPHONE
CN4CN2
CN2
CN3
JK1
1
2
JK2
JACK2K
SP1(Lch)
16cm; 6
SP2(Rch)
16cm; 6
SP4(Rch)
6.5cm; 8
CN5
CN7
SP3(Lch)
6.5cm; 8
ASUB
D3,5
D7,9
D11

Related product manuals