EasyManua.ls Logo

Technics SX-PR700 - Page 20

Technics SX-PR700
48 pages
Print Icon
To Next Page IconTo Next Page
To Next Page IconTo Next Page
To Previous Page IconTo Previous Page
To Previous Page IconTo Previous Page
Loading...
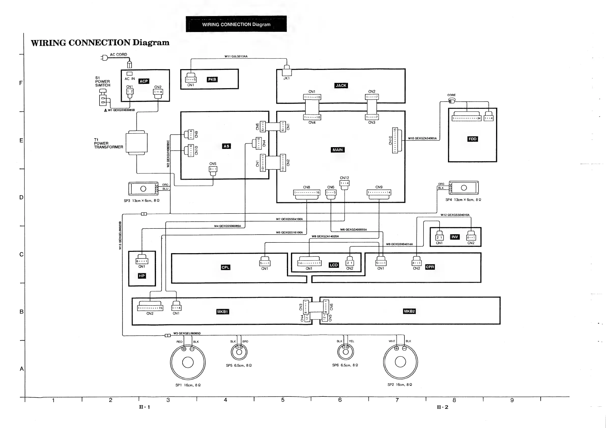
WIRING
CONNECTION
Diagram
WIRING
CONNECTION
Diagram
D
AC
CORD
W11
QJLGO13AA
$1
POWER
SWITCH
(_)
I
=
CORE
Es
5
A
W1
QEXGVHO3085B
EID
o
W10
OEXGZA34065A
FDD
POWER
a
TRANSFORMER
8
cS
Fa
x
Ww
Co
$
<
ORG
ORG
SP3
13cm
x
G6cm,
8
Q
SP4
13cm
x
6cm,
8Q
W12
QEXGSS04010A
W7
QEXGSS04100A
a
g
8
W6
QEXGZAOSO55A
a
WS
QEXGSS16100A
9
W8
QEXGZA14020A
Ww
So
i.
__—
a
i
SP5
6.5cm,
8Q
SP6
6.5cm,
8
Q
SP1
16cm,
8Q
SP2
16cm,
8Q
1
2
3
4
5
6
7
8
II-1
l-2

Related product manuals