EasyManua.ls Logo

Technics SX-PR700 - Page 21

Technics SX-PR700
48 pages
Print Icon
To Next Page IconTo Next Page
To Next Page IconTo Next Page
To Previous Page IconTo Previous Page
To Previous Page IconTo Previous Page
Loading...
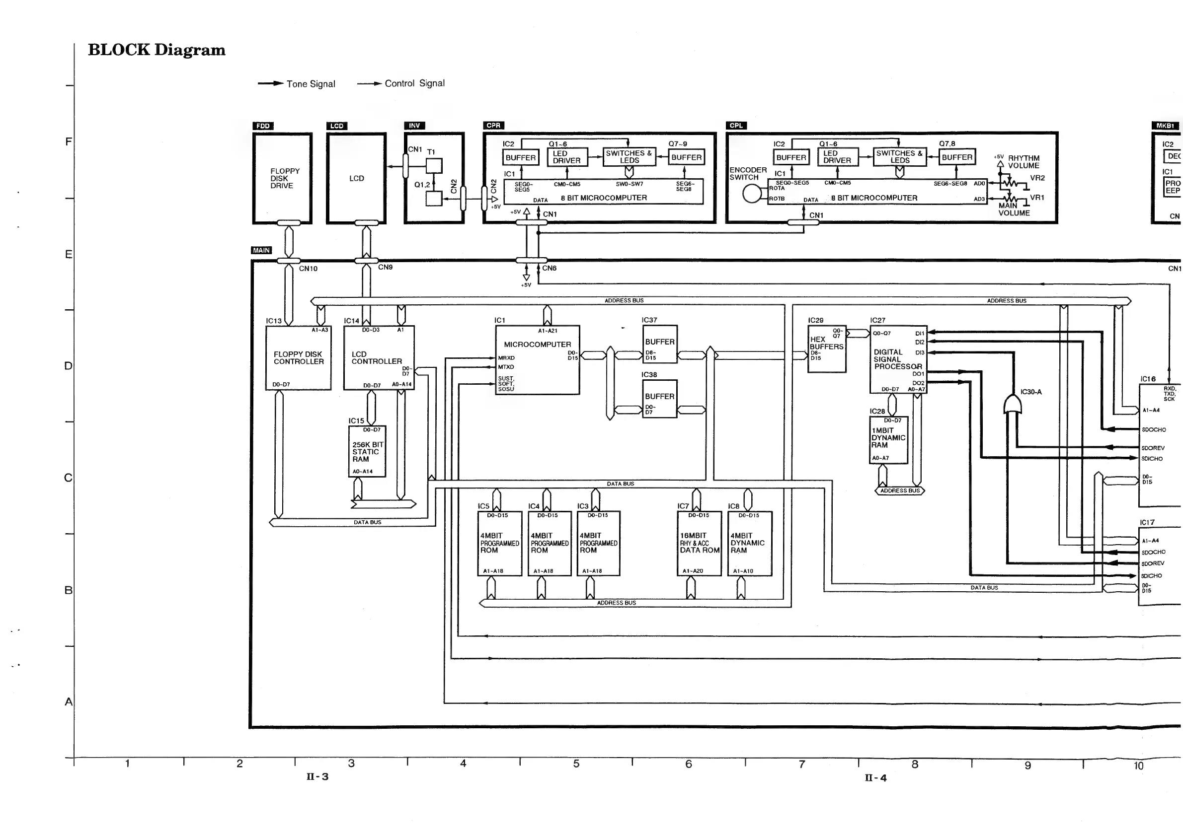
BLOCK
Diagram
—<
Tone
Signal
——
+>
Control
Signal
LINV
CPR
|
CPL
Q7-9
LED
SWITCHES
&
DRIVER
LEDS
BUFFER
ps
=e
CM0O~CM5
SWO0~SW7
pata
8
BIT
MICROCOMPUTER
SWITEHES
&
be
BUFFER]
=
*8Y
RHYTHM
ae
FLOPPY
DISK
jSEGO
SECS
CM0~CM5
SEG6~SEG8
ADO
fee
Cr
ROTB
~~
pata.
~—«
8
BIT
MICROCOMPUTER
AD3
CN1
ADDRESS
BUS
ADDRESS
BUS
DIGITAL
v8
SIGNAL
PROCESSOR
DO1
FLOPPY
DISK
Cc
CONTROLLER
CONTROLLER
MRXD
MTXD
DOo~
07
SUST,
SOFT,
DO2
SOSU
RXD,
D0~D7
AO~A14
SDOREV
SDICHO
Do-~
Cee
3)
015
DATA
BUS
a
¢
ADDRESS
BUS
>
DATA
BUS
DATA
BUS
ADDRESS
BUS
II-3
i-4

Related product manuals