EasyManua.ls Logo

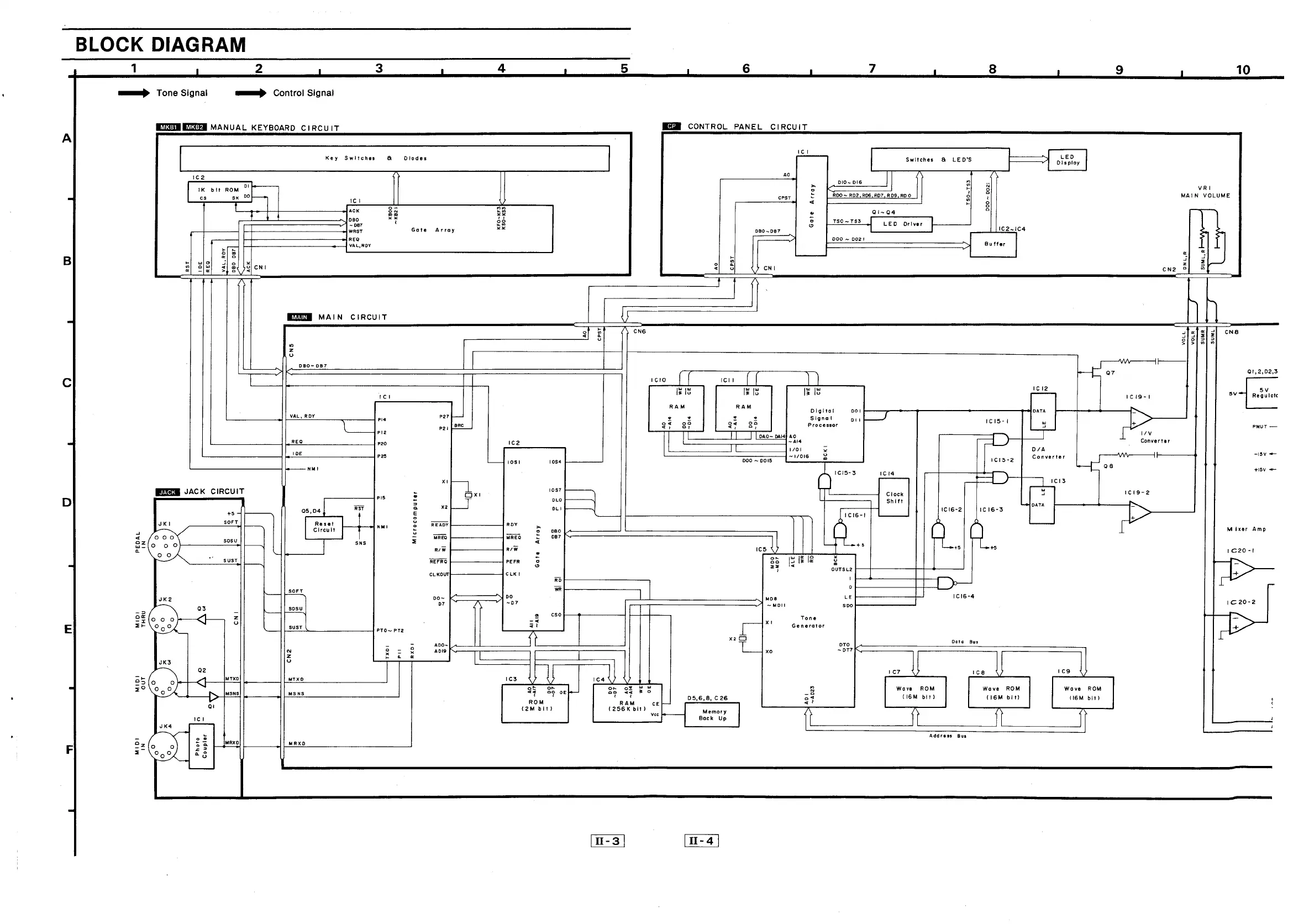
Technics SX-PX103M - Block Diagram

Technics SX-PX103M
36 pages
Print Icon
To Next Page IconTo Next Page
To Next Page IconTo Next Page
To Previous Page IconTo Previous Page
To Previous Page IconTo Previous Page
Loading...

Related product manuals