EasyManua.ls Logo

Technoflex RABBIT - Wiring Schematics 1 B-12

Default Icon
Print Icon
To Next Page IconTo Next Page
To Next Page IconTo Next Page
To Previous Page IconTo Previous Page
To Previous Page IconTo Previous Page
Loading...
1B OPERATION
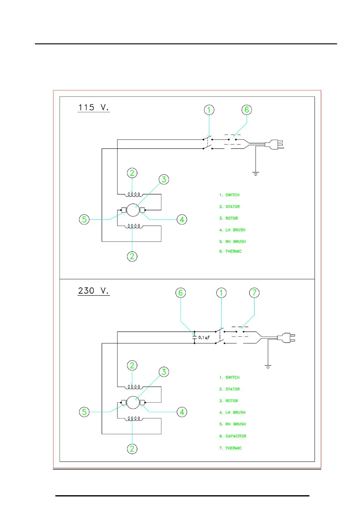
1.15 Wiring Schematics
1B-12 ENGLISH