EasyManua.ls Logo

Technoflex RABBIT - 1.15 Schaltpläne

Default Icon
Print Icon
To Next Page IconTo Next Page
To Next Page IconTo Next Page
To Previous Page IconTo Previous Page
To Previous Page IconTo Previous Page
Loading...
1D GEBRAUCH
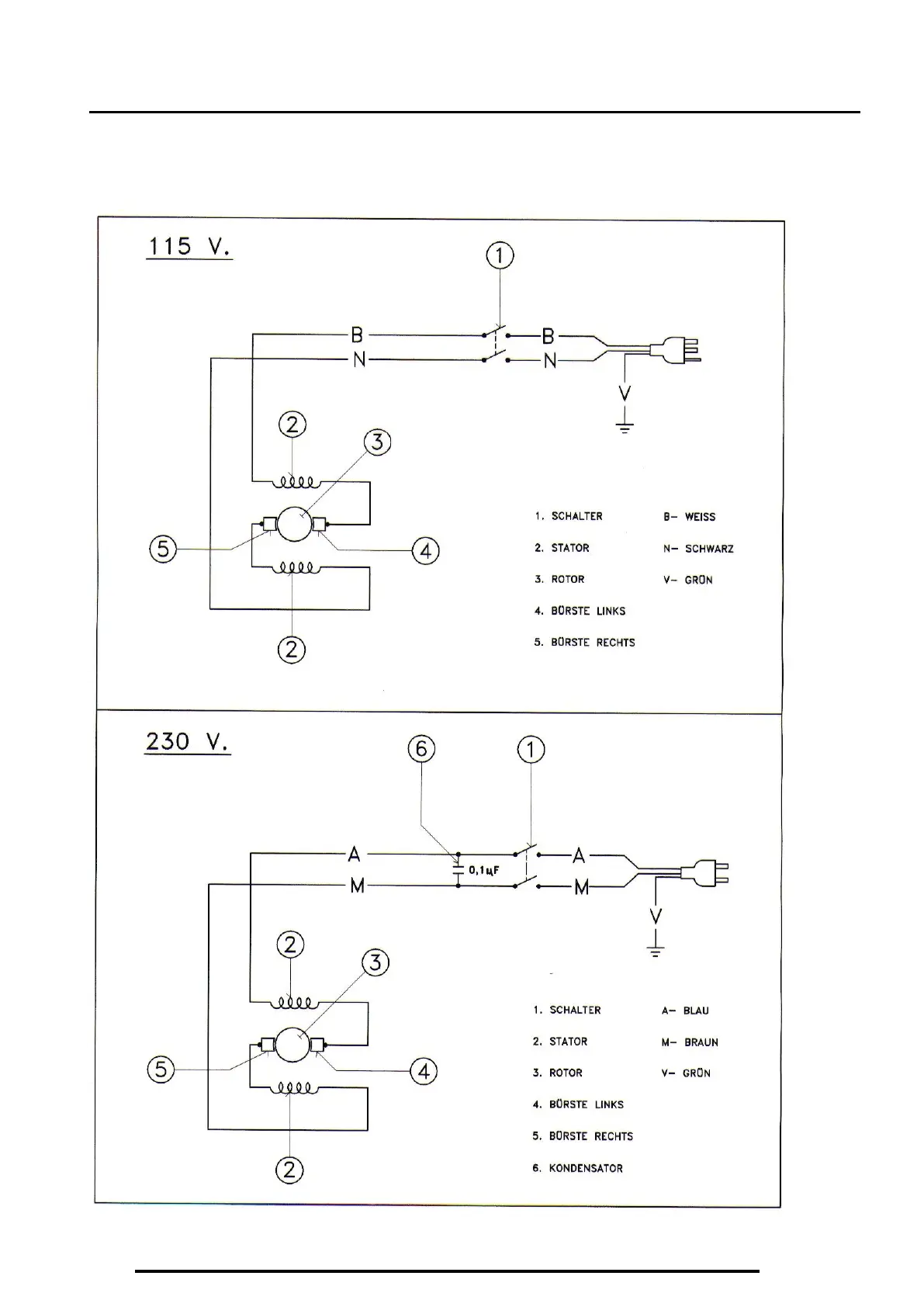
1.15 Schaltpläne
1D-12 DEUTSCH