EasyManua.ls Logo

Technoflex RABBIT - Petrol Engine; Petrol Engine Diagram

Default Icon
Print Icon
To Next Page IconTo Next Page
To Next Page IconTo Next Page
To Previous Page IconTo Previous Page
To Previous Page IconTo Previous Page
Loading...
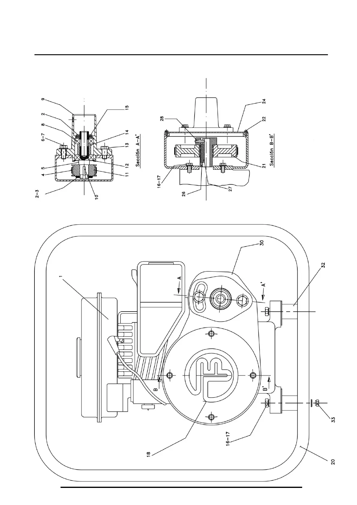
MOTOR GASOLINA MOTEUR ESSENCE
PETROL ENGINE BENZIN MOTOREN 5
5.-1 Motor Gasolina / Petrol Engine / Moteur Essence / Benzin Motor
5-1