EasyManua.ls Logo

TECHNOLIFT SL-9 - Install Electrical System (Three Phase)

Default Icon
40 pages
Print Icon
To Next Page IconTo Next Page
To Next Page IconTo Next Page
To Previous Page IconTo Previous Page
To Previous Page IconTo Previous Page
Loading...
22
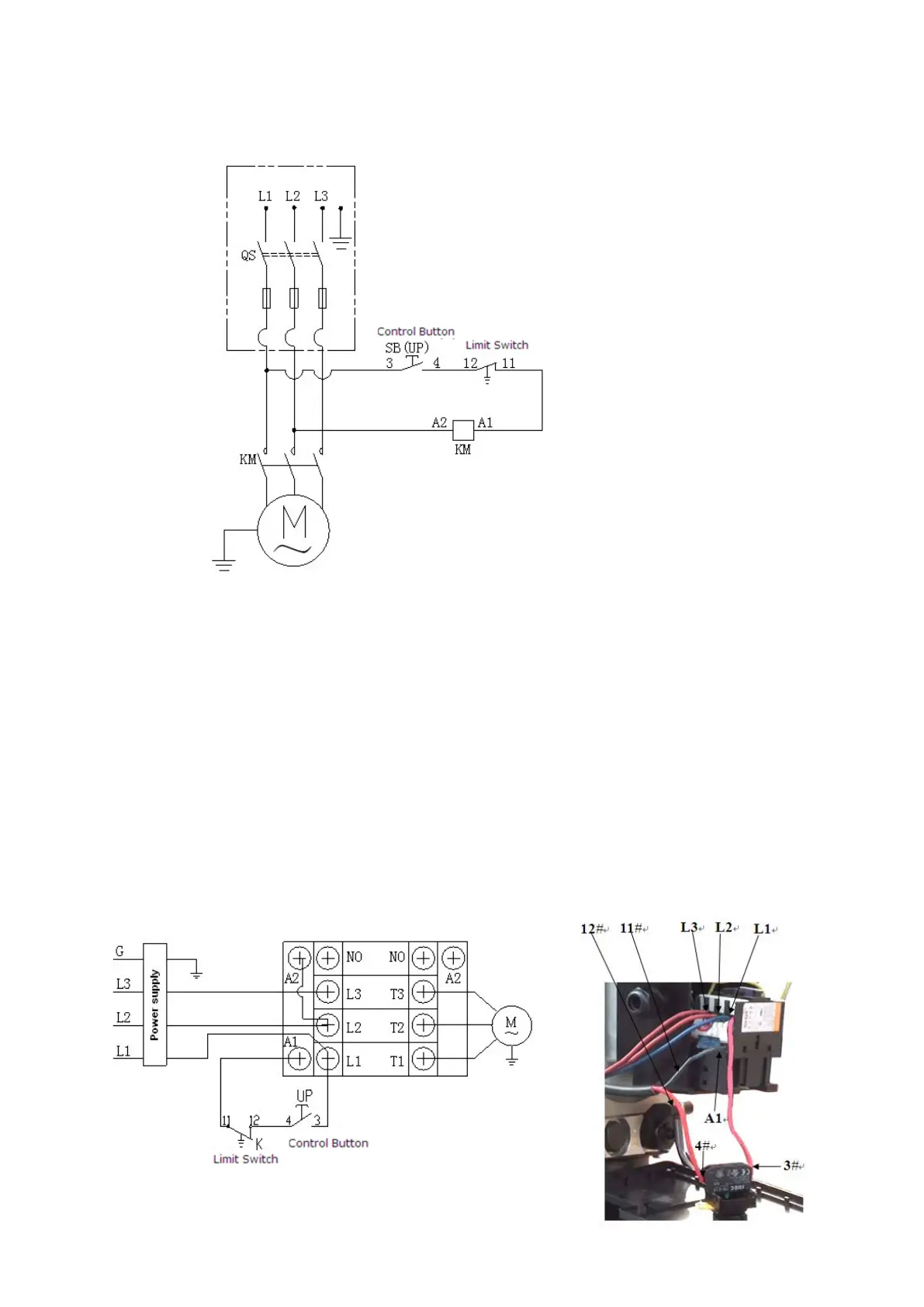
Three phase motor
1. Circuit diagram
(See Fig. 39)
2. Connection step
(See Fig. 40)
a. The source wires (L1, L2, L3) are connected with terminals of AC contactor marked
L1, L2, L3 respectively.
b. Terminals 4# of control button is connected with wire 12#brown wire of limit
switch; wire 11#(blue wire) is connected with A1 terminal of AC contactor, Earth
wire( yellow and green wire) of limit switch is connected with the earth wire
terminal of the motor.
C. Terminals 3# of control button is connected with L1 terminals of AC contactor.
Fig. 39
Fig. 40
Three phase

Related product manuals