EasyManua.ls Logo

TECHNOLIFT SL-9 - Test with Load; Operation Instructions; Lifting Vehicle

Default Icon
40 pages
Print Icon
To Next Page IconTo Next Page
To Next Page IconTo Next Page
To Previous Page IconTo Previous Page
To Previous Page IconTo Previous Page
Loading...
27
5. Test with load
After finishing the above adjustment, test running the lift with load. Run the lift in low
position for several times first, make sure the lift can rise and lower synchronously,
the Safety Device can lock and release synchronously. And then test run the lift to the
top completely. If there are anything improper, repeat the above adjustment.
NOTE: It may be vibrated when lifting at start, please lifting it with load for several
times, the air would be bled and the vibration would be disappeared
automatically.
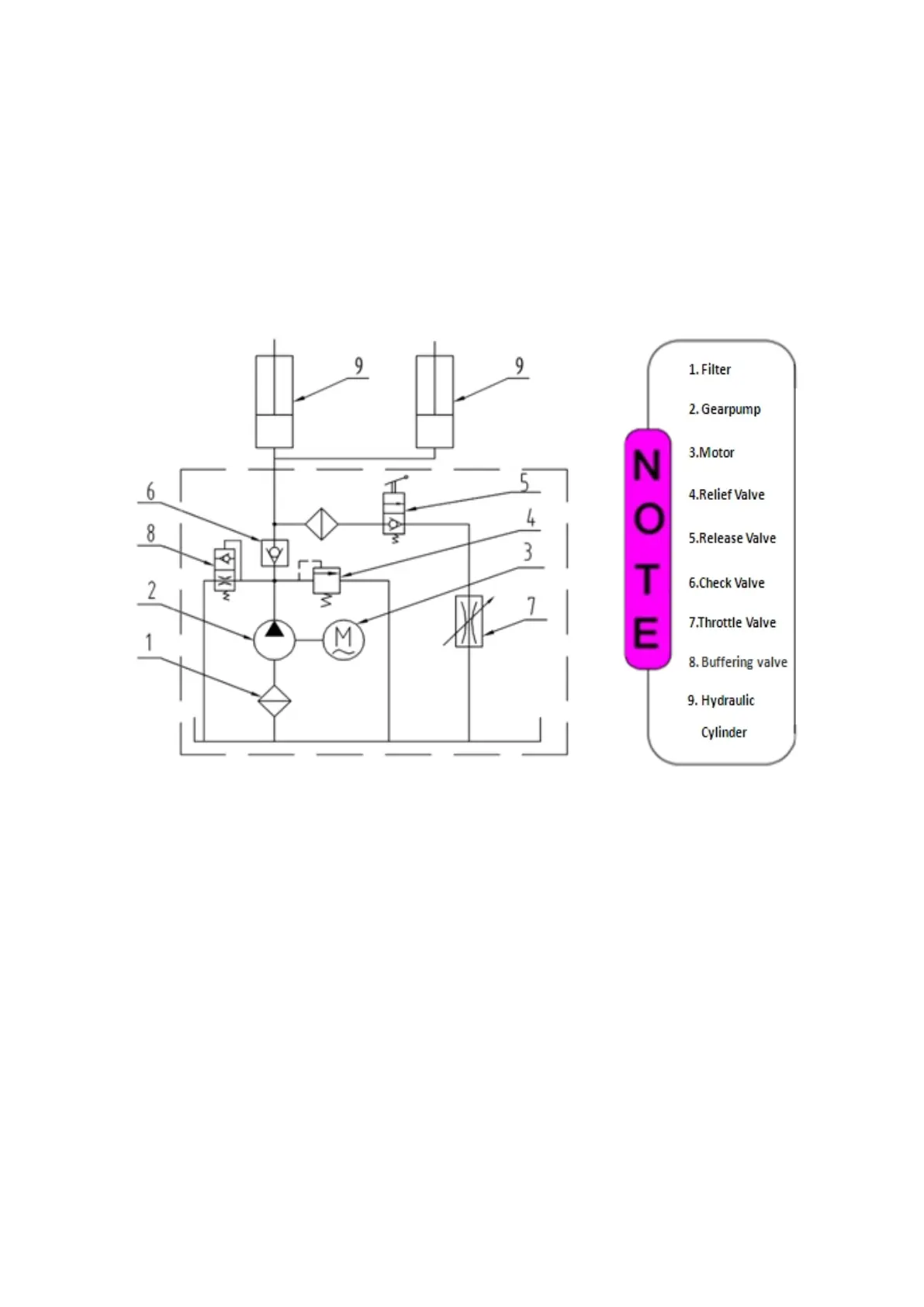
Fig. 49 Hydraulic System
VI. OPERATION INSTRUCTIONS
Please read the safety tips carefully before operating the lift
To lift vehicle
1. Keep clean of site near the lift;
2. Position lift arms to the lowest position;
3. To shortest lift arms;
4. Open lift arms;
5. Position vehicle between columns;
6. Move arms to the vehicle’s lifting point;
Note: The four lift arms must at the same time contact the vehicle’s lifting point
where manufacturers recommended

Related product manuals