EasyManua.ls Logo

TECHNOLIFT SL-9L - Page 19

TECHNOLIFT SL-9L
32 pages
Print Icon
To Next Page IconTo Next Page
To Next Page IconTo Next Page
To Previous Page IconTo Previous Page
To Previous Page IconTo Previous Page
Loading...
16
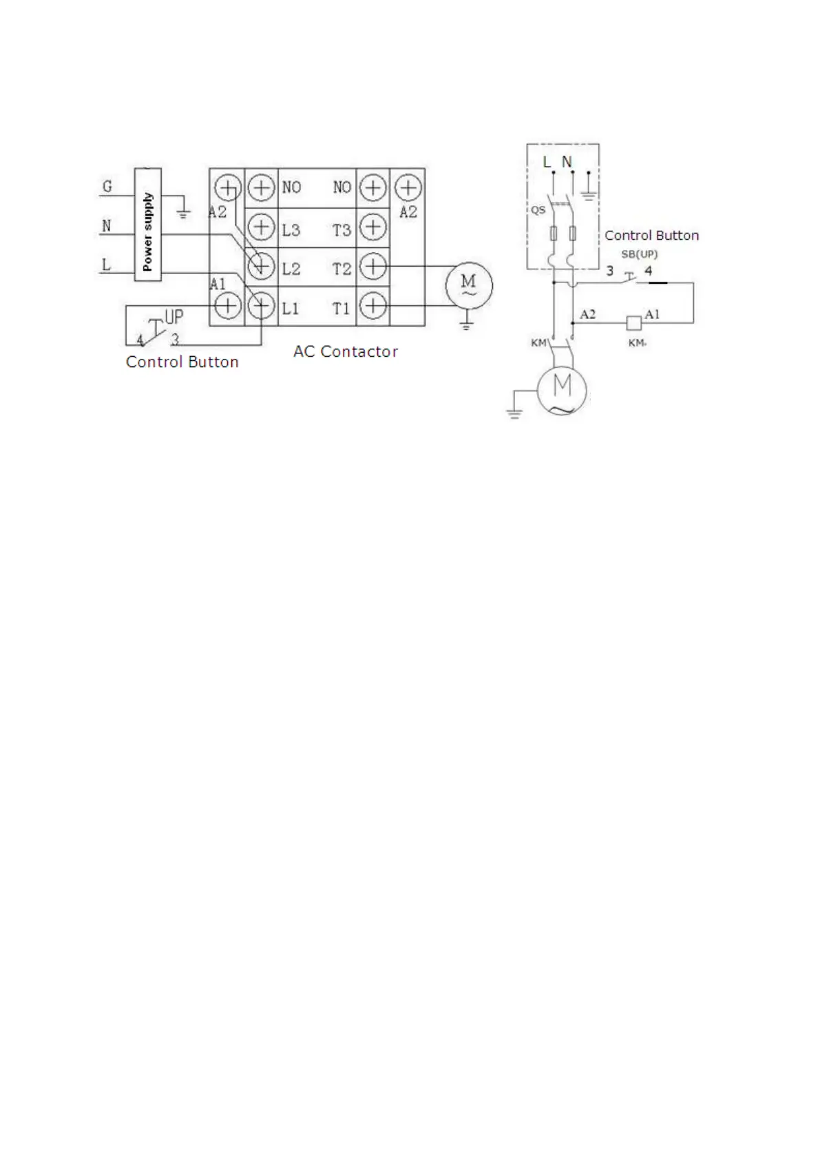
4. Terminal 4# of control button is connected with terminals A1of AC contactor;
Terminal 3# of control button is connected with terminals L1of AC contactor.
Fig. 27
Single phase

Related product manuals