EasyManua.ls Logo

TECNOEKA EKF 464 UD - Wiring Layouts

Default Icon
12 pages
Print Icon
To Next Page IconTo Next Page
To Next Page IconTo Next Page
To Previous Page IconTo Previous Page
To Previous Page IconTo Previous Page
Loading...
Electric Ovens rev. 4______________________________EKF 411 UD – EKF 416 UD – EKF 464 UD – EKF 411 UD/001
EKF 464 UD/001-HT – EKF 464 UD/002-HT
____________________________________________________________________________________________ page 11
13.
13. 13.
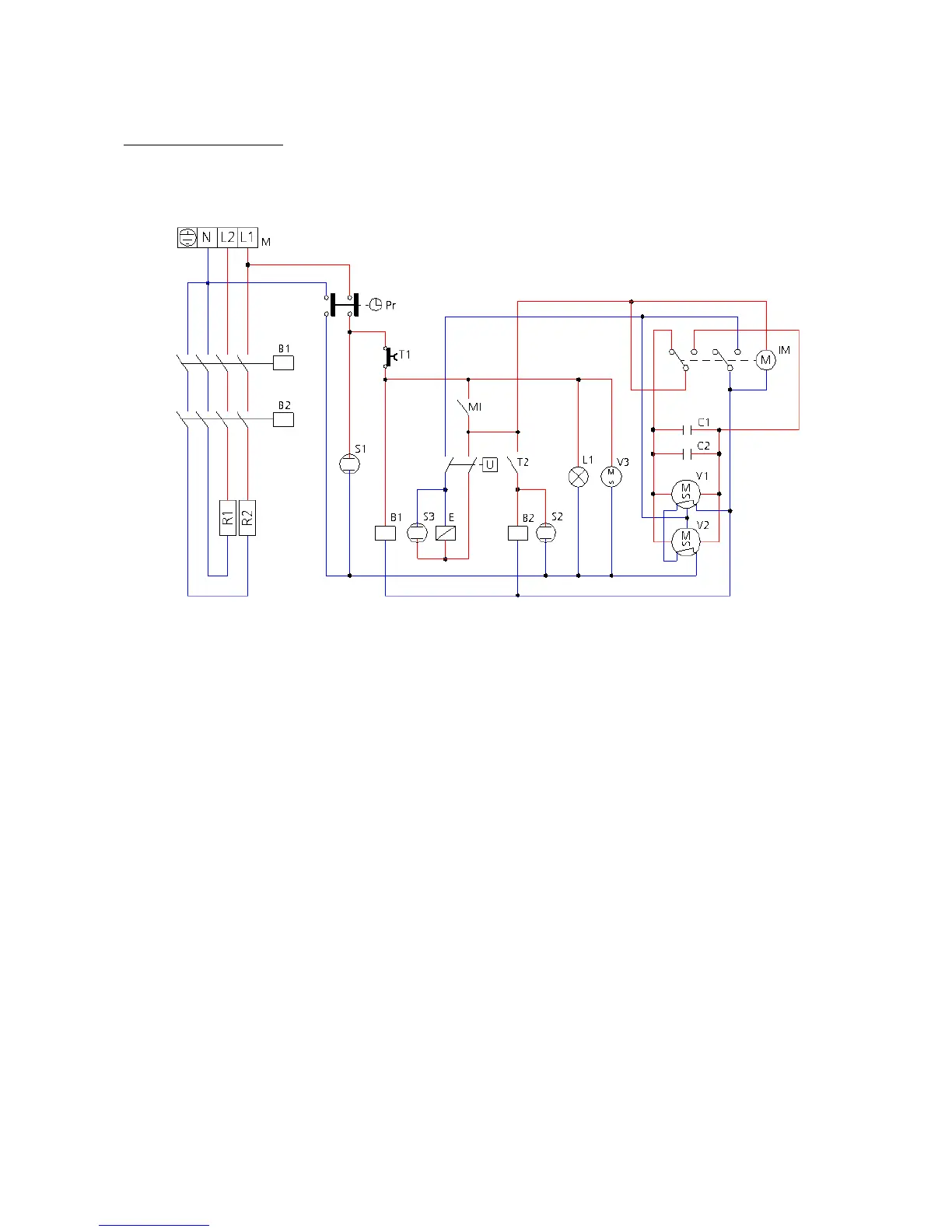
13. Wiring layouts
Wiring layoutsWiring layouts
Wiring layouts
Key
KeyKey
Key
M
Power terminal board
Pr "End of cooking" programmer
MI Door microswitch
T1 Safety thermostat
T2 Control thermostat
R1-R2 Circular heating elements
E Humidifier solenoid-valve
U Humidifier switch
L1 Lighting lamp
V1
-
V2
Radial motoventilators
V3 Tangential motorised ventilator
C1-C2 Capacitors
IM Operating direction reversing element
B1-B2 Contactors coil
S1 Programmer indicator light
S2 Thermostat indicator light
S3 Humidity indicator light

Related product manuals