EasyManua.ls Logo

TECNOEKA KF 412 - Page 19

TECNOEKA KF 412
21 pages
Print Icon
To Next Page IconTo Next Page
To Next Page IconTo Next Page
To Previous Page IconTo Previous Page
To Previous Page IconTo Previous Page
Loading...
_ Electric Ovens _ rev. 1 _____________________________________________________ KF 412- KF 723-
KF 723M _
________________________________________________________________________________________
_ page 19 _
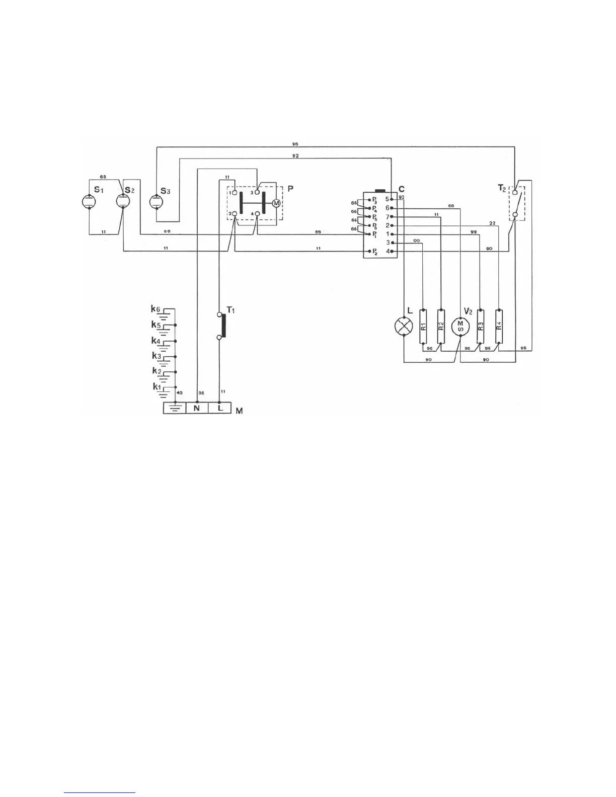
WIRING LAYOUT MOD. KF 723 M
Key
M Power supply terminal board
P "End of cooking" programmer
T2 Oven thermostat
T1 Safety thermo-switch
L Oven lighting lamp
R1 Grill heating-element
R2 Circular heating-element
R3 Bottom heating-element
R4 Top heating-element
V2 Radial motorised ventilator
S1 Power line indicator light
S2 Programmer indicator light
S3 Thermostat indicator light
C Oven switch
K1 Bottom heating-element earth
K2 Circular heating-element earth
K3 Radial motorised ventilator earth
K4 Top + grill heating-element earth
K5 Lighting lamp earth
K6 Oven switch earth
00 Black wire
11 Brown wire
22 Red wire
66 Blue wire
99 White wire
96 Blue/white wire
45 Yellow/green wire

Related product manuals