EasyManua.ls Logo

TECNOEKA KF 620 - Wiring layouts

Default Icon
13 pages
Print Icon
To Next Page IconTo Next Page
To Next Page IconTo Next Page
To Previous Page IconTo Previous Page
To Previous Page IconTo Previous Page
Loading...
_ Electric Ovens _ rev. 2 _____________________________________________________________ KF 620 – KF 622 _
_________________________________________________________________________________________ page 11 _
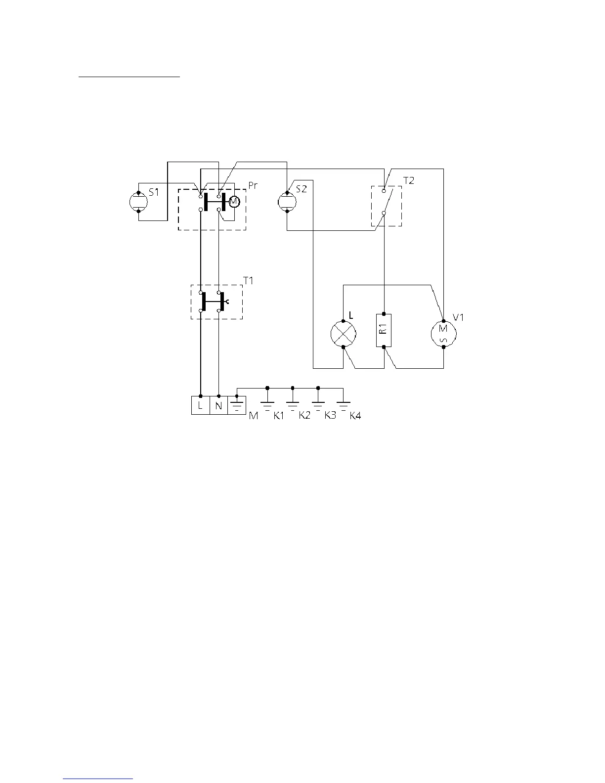
13. Wiring layouts
WIRING LAYOUT MOD. KF 620
Key
M Power terminal board
Pr "End of cooking" programmer
T1 Safety thermo-switch
T2 Oven thermostat
L Oven lighting lamp
R1 Circular heating-element
V1 Oven motorised ventilator
S1 Programmer indicator light
S2 Thermostat indicator light
K1 Circular heating-element earth
K2 Motorised ventilator earth
K3 Oven lighting lamp earth
K4 Thermostat earth

Related product manuals