EasyManua.ls Logo

Tefcold FSC890H - Page 135

Default Icon
Print Icon
To Next Page IconTo Next Page
To Next Page IconTo Next Page
To Previous Page IconTo Previous Page
To Previous Page IconTo Previous Page
Loading...
135
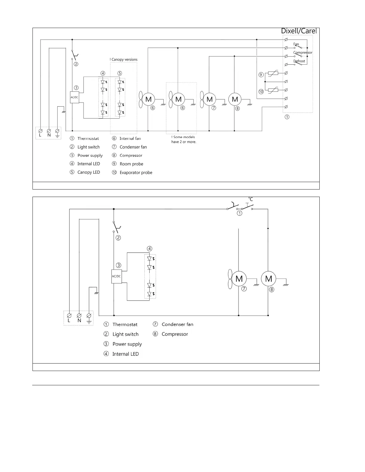
FS1002, FS1202S, FS890H, FSC890S, FSC890H, FS1500H, FSC1600H
CPV425, CPV1380, CPP1380

Table of Contents

Related product manuals