EasyManua.ls Logo

tefen MixRite 2.5 - Installing the MixRite on a Bypass Line (offline)

tefen MixRite 2.5
20 pages
Print Icon
To Next Page IconTo Next Page
To Next Page IconTo Next Page
To Previous Page IconTo Previous Page
To Previous Page IconTo Previous Page
Loading...
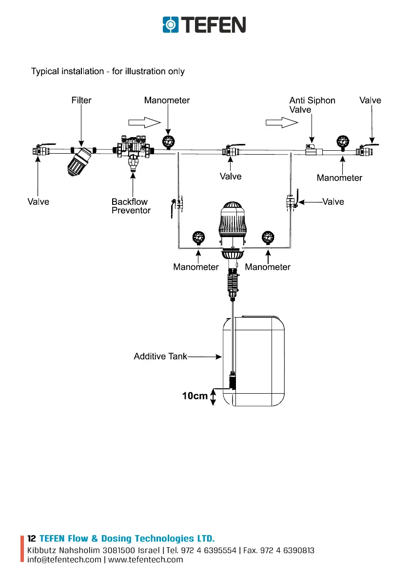
4.2.2. Installing the MixRite on a Bypass Line (offline)