EasyManua.ls Logo

TekTone NC415AV - Page 45

Default Icon
54 pages
Print Icon
To Next Page IconTo Next Page
To Next Page IconTo Next Page
To Previous Page IconTo Previous Page
To Previous Page IconTo Previous Page
Loading...
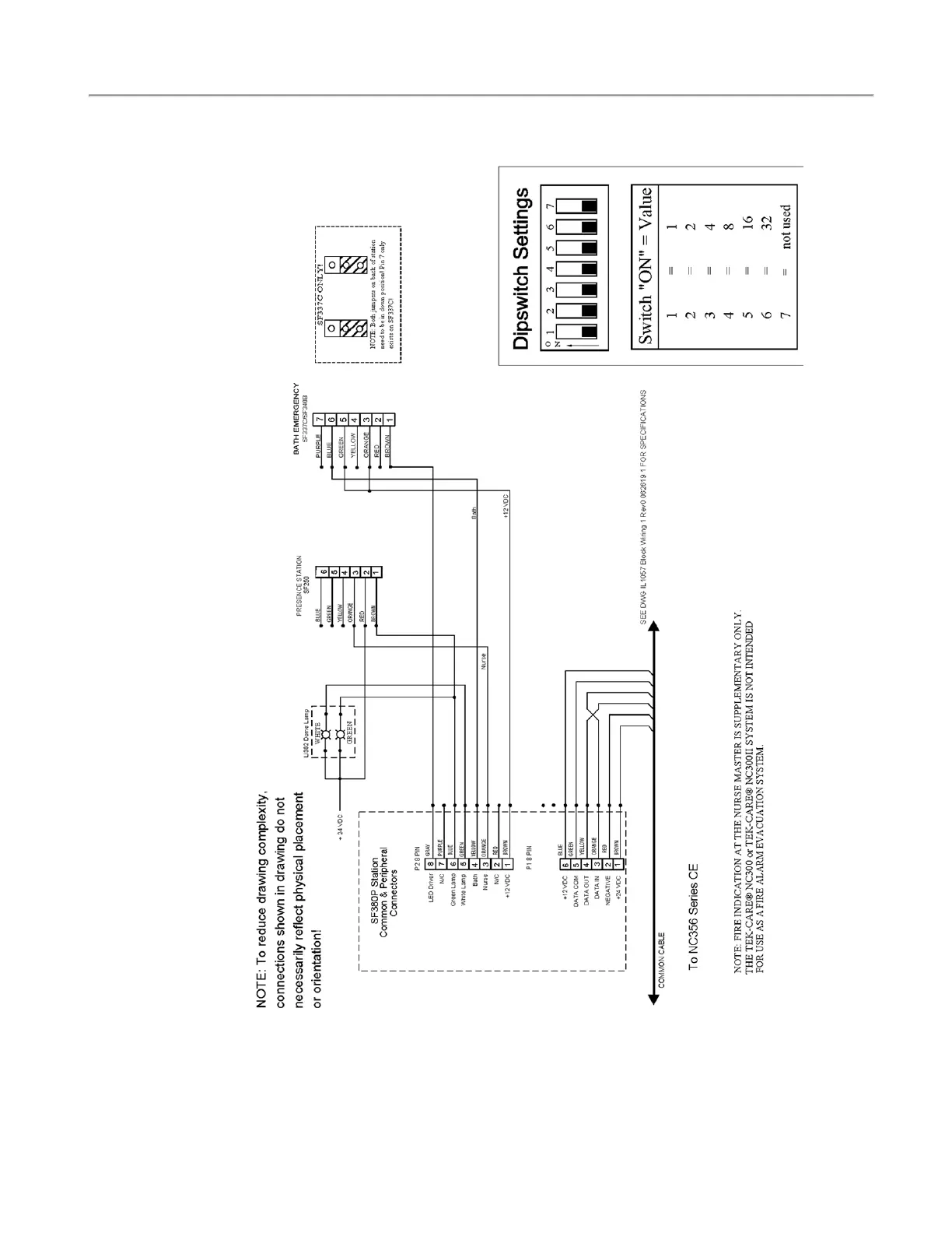
Figure 30 - SF380P Connections to Peripheral Device
Copyright
©
TekTone Sound and Signal Mfg., Inc. All Rights Reserved
IL1057 Tek-CARE300III Installation Manual | 45
System Troubleshooting Guide

Related product manuals