EasyManua.ls Logo

Telcoma TANGO Series - Page 3

Telcoma TANGO Series
Print Icon
To Next Page IconTo Next Page
To Next Page IconTo Next Page
To Previous Page IconTo Previous Page
To Previous Page IconTo Previous Page
Loading...
3
I F E GB D NL
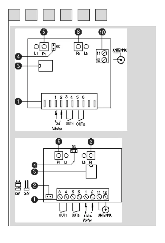
Fig. 1 / Abb. 1
Fig. 2/ Abb. 2