EasyManua.ls Logo

Telcoma TANGO Series - Page 4

Telcoma TANGO Series
Print Icon
To Next Page IconTo Next Page
To Next Page IconTo Next Page
To Previous Page IconTo Previous Page
To Previous Page IconTo Previous Page
Loading...
4
I F E GB D NL
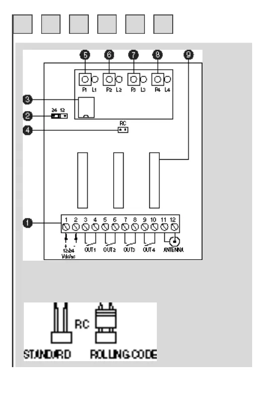
Fig. 3 / Abb. 3
Fig. 4 / Abb. 4