EasyManua.ls Logo

Teledyne EHE - 2 K. Water Piping

Teledyne EHE
34 pages
Print Icon
To Next Page IconTo Next Page
To Next Page IconTo Next Page
To Previous Page IconTo Previous Page
To Previous Page IconTo Previous Page
Loading...
Hi-E2
Page 9
When the heater is started, check the supply
pressure to verify that it is adequate during heater
operation. Undersize piping, a restrictive fitting or an
undersize gas meter can cause low operating pressure.
High Elevation
To assure good combustion and general
operation, gas appliances are normally de-rated when
installed at high elevation. This is not necessary with
the Hi-E
2 because it has a special venturi-type
combustion system which self-compensates for
changes in barometric pressure. Air flow through the
venturi pulls the correct flow of gas into the burner
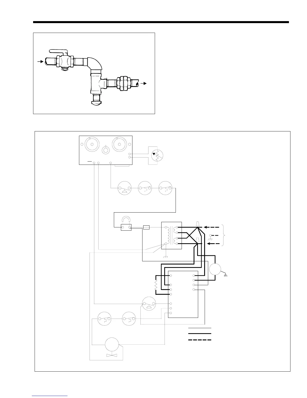
Figure 13. Gas Piping at Heater.
To
Heater
From
Supply
SPA
Cuve Thermal
POOL
Piscine
OFF
Arrét
W
W
W
BK
YY/BK
R
Y
Y
Y
BK
BK
W-R
W-BK
R
BK
BK
L1
G
N
W
BK
W
W
F1
F2
24V
IND
IGNITION
CONTROL
FENWAL
05-33
W
R
W
PR
Y/BK
BR
Y
Y/BK
BR
BR
Y
S120/IGN
L1
L2
IGN
TH
VAL
GND
Figure 14. Wiring Diagram, Hi-E2 Pool Heater.
115V
60Hz
REMOTE CONNECTOR
Connecteur à distance
IGNITION
CONTROL
Commande
d’allumage
FENWALL
05-33
VENT LIMIT
Limiteur de débit
BURNER LIMIT
Limiteur du brûleur
(SINGLE USE)
(Uniservice)
(MANUAL
RESET)
(Remise à zéro)
VENTURI. PRES. SWITCH
Interrupteur à pression
différentielle
IGNITER
Allumeur
GAS VALVE
Soupage de gaz
ELECTRICAL
FUSE
Fusible
LIMIT
Limiteur
LIMIT
Limiteur
PRESSURE SWITCH
(WATER)
Manostat (eau)
FIREMAN
SWITCH
CONNECTION
Interrupteur
pompier
COMB.
FAN
Ventilateur
à
combustion
BK - Black
(Noir)
W-White
(Blanc)
BR - Brown
(Brun)
R-Red
(Rouge)
Y-Yellow
(Jaune)
G-Green
(Vert)
FACTORY WIRED 24V
FACTORY WIRED 115V
FIELD WIRED 115V
IF ANY OF THE ORIGINAL WIRE AS
SUPPLIED WITH THE HEATER MUST BE
REPLACED, APPLIANCE WIRING MATERIAL
RATED FOR 105°C MUST BE USED.
ELECTRONIC TEMP CONTROL
Régulation électronique de
température
WATER TEMP
SENSOR
Capteur de
température de l’eau
TRANSFORMER
Transformateur
PV
MV
24V PSW
IGN/120
G

Table of Contents

Related product manuals