EasyManua.ls Logo

Telefunken HS 860 - Electrical Schematics; Power Supply Version 1 Diagram; Power Supply Version 2 Diagram; Power Supply Board Wiring

Telefunken HS 860
4 pages
Print Icon
To Next Page IconTo Next Page
To Next Page IconTo Next Page
To Previous Page IconTo Previous Page
To Previous Page IconTo Previous Page
Loading...
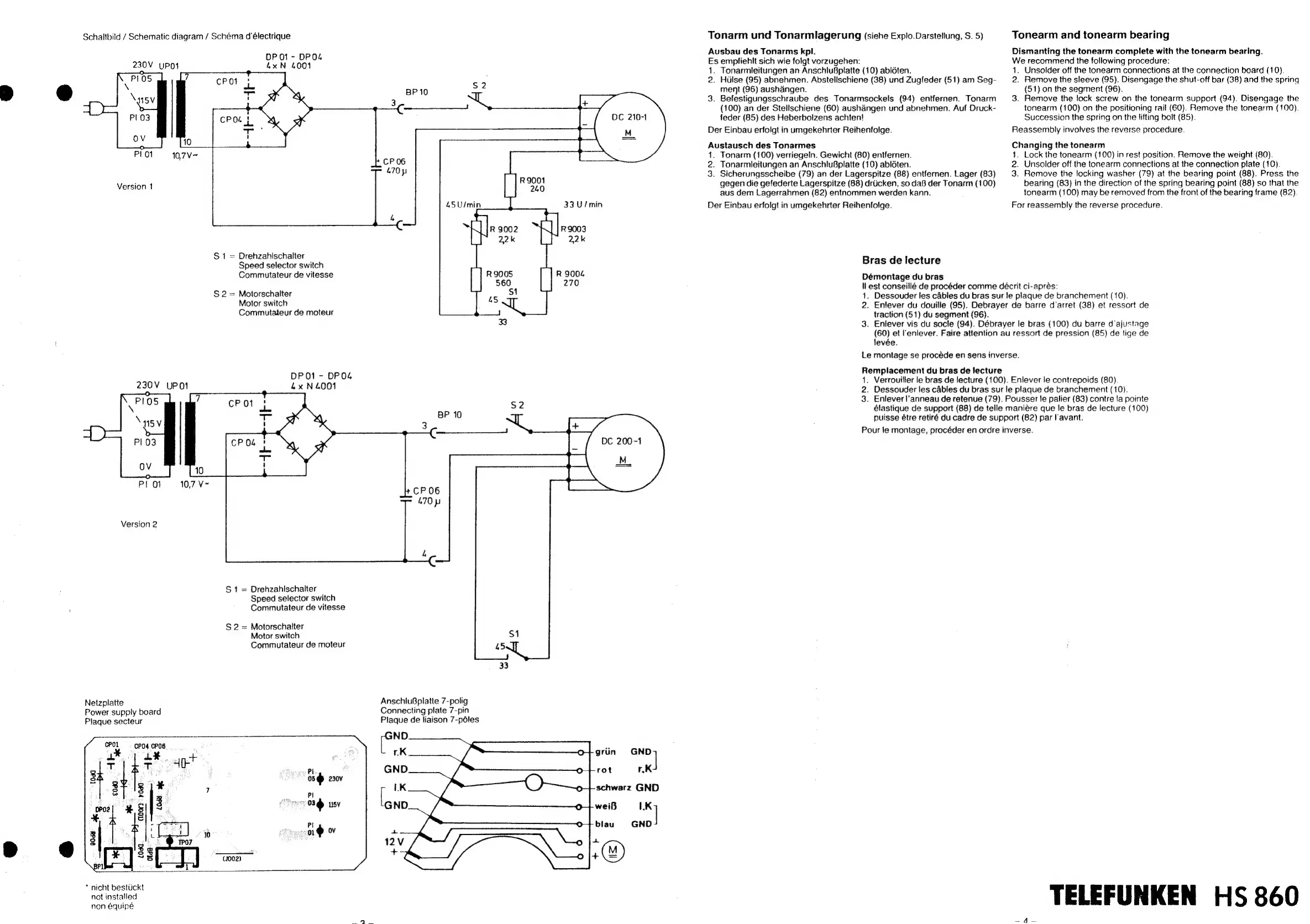
Schaltbild
/
Schematic
diagram
/
Schéma
d’électrique
PI
ot
230V
yPO!1
OP
01-
DPO4
4xN
4001
Tonarm
und
Tonarmlagerung
(siehe
Explo.Darstellung,
S.
5)
Ausbau
des
Tonarms
kpl.
Es
empfiehlt
sich
wie
folgt
vorzugehen:
1.
Tonarmieitungen
an
AnschluBplatte
(10)
abléten.
2.
Hulse
(95)
abnehmen.
Abstellschiene
(38)
und
Zugfeder
(51)
am
Seg-
ment
(96)
aushangen.
3.
Befestigungsschraube
des
Tonarmsockels
(94)
entfernen.
Tonarm
(100)
an
der
Stelischiene
(60)
aushangen
und
abnehmen.
Auf
Druck-
feder
(85)
des
Heberbolzens
achten!
Der
Einbau
erfolgt
in
umgekehrter
Reihenfoige.
Austausch
des
Tonarmes
Tonearm
and
tonearm
bearing
Dismanting
the
tonearm
complete
with
the
tonearm
bearing.
We
recommend
the
following
procedure:
1.
Unsolder
off
the
tonearm
connections
at
the
connection
board
(10).
2.
Remove
the
sleeve
(95).
Disengage
the
shut-off
bar
(38)
and
the
spring
(51)
on
the
segment
(96).
3.
Remove
the
lock
screw
on
the
tonearm
support
(94).
Disengage
the
tonearm
(100)
on
the
positioning
rail
(60).
Remove
the
tonearm
(100).
Succession
the
spring
on
the
lifting
bolt
(85).
Reassembly
involves
the
reverse
procedure.
Changing
the
tonearm
1,
Lock
the
tonearm
(100)
in
rest
position.
Remove
the
weight
(80).
10,7V~
1.
Tonarm
(100)
verriegein.
Gewicht
(80)
entfernen.
2.
Tonarmleitungen
an
AnschluBplatte
(10)
abléten.
2.
Unsolder
off
the
tonearm
connections
at
the
connection
plate
(10).
3.
Sicherungsscheibe
(79)
an
der
Lagerspitze
(88)
entfernen.
Lager
(83)
|
3.
Remove
the
locking
washer
(79)
at
the
bearing
point
(88).
Press
the
Version
1
gegen
die
gefederte
Lagerspitze
(88)
dricken,
so
dai
der
Tonarm
(100)
bearing
(83)
in
the
direction
of
the
spring
bearing
point
(88)
so
that
the
aus
dem
Lagerrahmen
(82)
entnommen
werden
kann.
tonearm
(100)
may
be
removed
from
the
front
of
the
bearing
frame
(82).
Der
Einbau
erfolgt
in
umgekehrter
Reihenfolge.
For
reassembly
the
reverse
procedure.
$1
=
Drehzahlschalter
Speed
selector
switch
Bras
de
lecture
Commutateur
de
vitesse
Démontage
du
bras
ll
est
conseillé
de
procéder
comme
deécrit
ci-aprés:
S
2
=
Motorschalter
1.
Dessouder
les
cables
du
bras
sur
le
plaque
de
branchement
(10).
Motor
switch
2.
Enlever
du
douille
(95).
Debrayer
de
barre
d'arret
(38)
et
ressort
de
Commutateur
de
moteur
traction
(51)
du
segment
(96).
3.
Enlever
vis
du
socle
(94).
Débrayer
le
bras
(100)
du
barre
d'ajustage
(60)
et
l'enlever.
Faire
attention
au
ressort
de
pression
(85)
de
tige
de
levée.
Le
montage
se
procéde
en
sens
inverse.
DP
01
-
DPOL
Remplacement
du
bras
de
lecture
230V
uPot
4x
N
4001
1.
Verrouiller
le
bras
de
lecture
(100).
Enlever
le
contrepoids
(80).
7
s
2.
Dessouder
les
cables
du
bras
sur
le
plaque
de
branchement
(10).
3.
Enlever|’anneau
de
retenue
(79).
Pousser
le
palier
(83)
contre
!a
pointe
élastique
de
support
(88)
de
telle
maniére
que
le
bras
de
lecture
(100)
puisse
étre
retiré
du
cadre
de
support
(82)
par
l'avant.
Pour
fe
montage,
procéder
en
ordre
inverse.
Plo!
107V-
Version
2
S$
1
=
Drehzahlschalter
Speed
selector
switch
'
Commutateur
de
vitesse
S
2
=
Motorschalter
Motor
switch
Commutateur
de
moteur
Netzplatte
AnschluBplatte
7-polig
Power
supply
board
Connecting
plate
7-pin
Plaque
secteur
Plaque
de
liaison
7-pdles
cPOl
=
cpo4
CPOB
LY
"
:
grin
GND
4
gos
Phe
rot
x)
oy
J
230V
schwarz
GND
weiB
sal
blau
GND
a
AC)
*
nicht
bestiickt
ee
|
TELEFUNKEN
HS
860
non
équipé

Related product manuals