EasyManua.ls Logo

Telefunken TKP2198USM - Power Supply and Schematics

Telefunken TKP2198USM
69 pages
Print Icon
To Next Page IconTo Next Page
To Next Page IconTo Next Page
To Previous Page IconTo Previous Page
To Previous Page IconTo Previous Page
Loading...
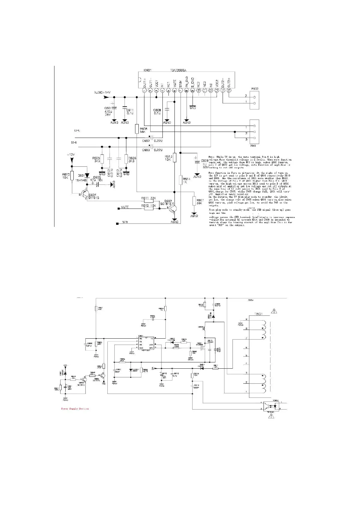
Audio Power Amplifying Section
Power Supply Section
AC supply 220V/110v through filtering network and rectifying circuit and get 300Vdc voltage.
LF801/LF801A and CX802 makes up a differential mode rejection, LF802 and CY801,CY802
makes up a common mode rejection network. D801-D804 is rectifying network. 300Vdc voltage
supply pin3 of T801, also through R804 send to pin8 of IC801 NCP1337. Pin5 of IC801 sends out
the PWM signal to control Q801 working in switch on and off situation. IC803 is optocoupler.

Related product manuals