EasyManua.ls Logo

Telefunken TKP2198USM - Page 66

Telefunken TKP2198USM
69 pages
Print Icon
To Next Page IconTo Next Page
To Next Page IconTo Next Page
To Previous Page IconTo Previous Page
To Previous Page IconTo Previous Page
Loading...
Application Hints STV8172A
8/14 STMicroelectronics Confidential
C
S
performs an integration of the parabolic signal on C
L
, therefore the amount of S correction is set
by the combination of C
L
and C
s
.
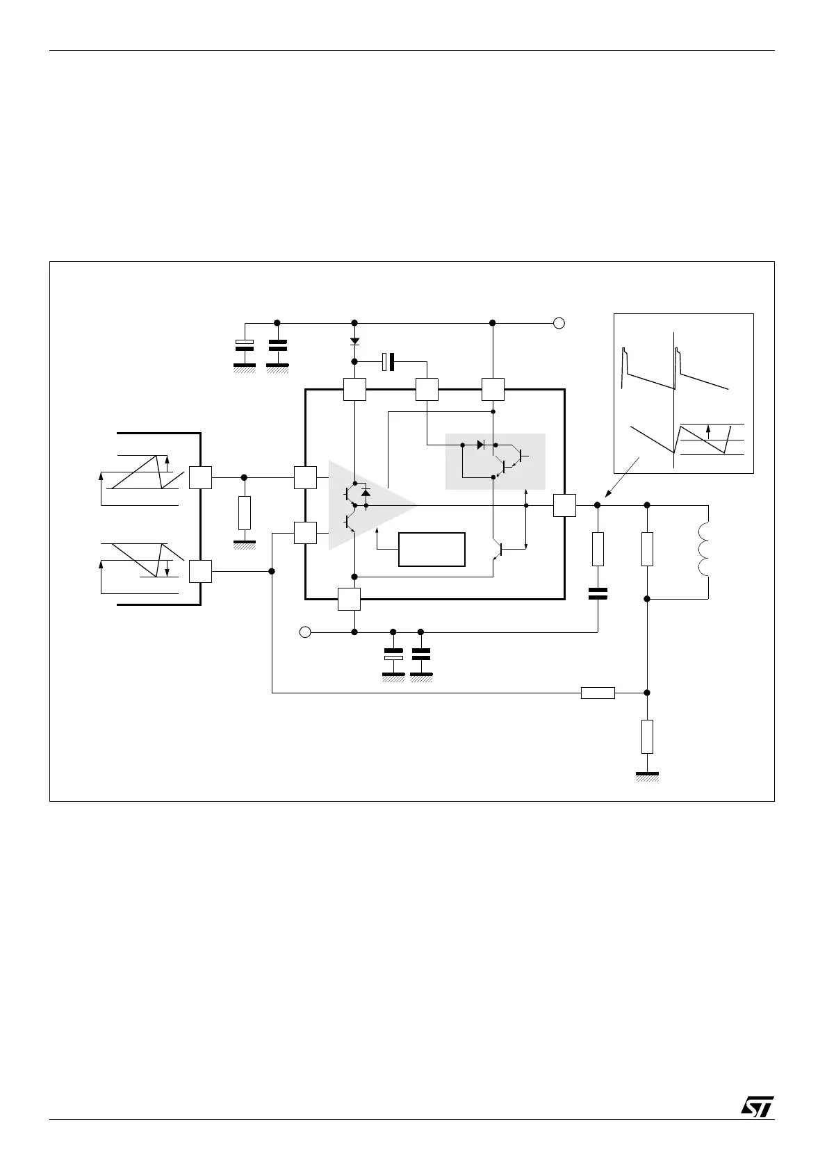
4.3 Application with Differential-output Drivers
Certain driver ICs provide the ramp signal in differential form, as two current sources i
+
and i
-
with
opposite variations.
Let us set some definitions:
i
cm
is the common-mode current:
at peak of signal, i
+
=i
cm
+i
p
and i
-
=i
cm
-i
p
, therefore the peak differential signal is i
p
-(-
i
p
)=2i
p
, and the peak-peak differential signal, 4i
p
.
The application is described in Figure 7 with DC yoke coupling. The calculations still rely on the fact
that V
1
remains equal to V
7
.
Figure 7: Using a Differential-output Driver
+Vs
R
2
R
1
Rd(*)
Yo ke
Ly
-V
EE
0.22µF
(*) recommended:
Ly
50ms
--------------Rd
Ly
20ms
--------------<<
0.1µF
0.1µF
C
F
(47 to 100µF)
Power
Amplifier
Flyback
Generator
Thermal
Safety
+
-
470µF
470µF
Output
Current
Output
Voltage
I
p
7
32
5
6
1
4
R
7
+
-
Differential output
driver IC
i
p
i
cm
-i
p
i
cm
1.5W
i
cm
1
2
---i
+
i
-
+()=

Related product manuals