EasyManua.ls Logo

Telwin TECHNOLOGY TIG 172 - Operation and Wiring Diagrams; Block Diagram

Telwin TECHNOLOGY TIG 172
29 pages
Print Icon
To Next Page IconTo Next Page
To Next Page IconTo Next Page
To Previous Page IconTo Previous Page
To Previous Page IconTo Previous Page
Loading...
15
TECHNOLOGY TIG 172 AC/DC
-2-
TIG & MMA
CYCLE CONTROL
31
6
7
8
2
4
5
1
13
17
33
11
3
23
29
32
30
34
12
19
V
t
16
20
PROTEZIONE
SOVRATENSIONE
V
t
14
IGBT DRIVER
21
SEPARAZIONE
GALVANICA
22
INDUCTANCE
THERMOSTAT
27
SCR DRIVER
25
SHUNT AMPLIFIER
+ |
26
MAXIMUN
CURRENT REGOLATOR
18
CONTROL PANEL
24
10
+
-
9
AC/ DC CURRENT
CONVERTER
28
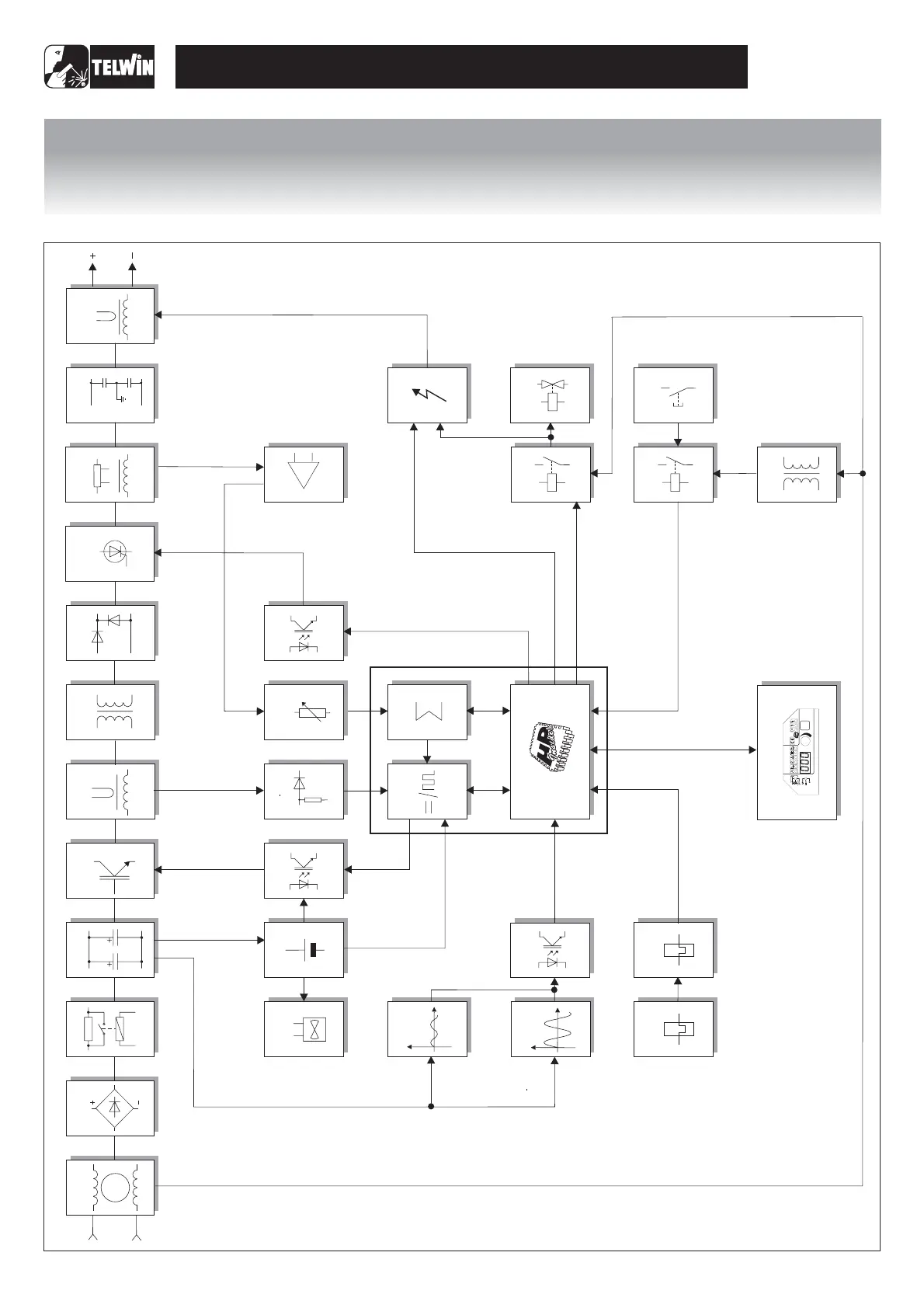
BLOCK DIAGRAM
OPERATION AND WIRING DIAGRAMSOPERATION AND WIRING DIAGRAMS
OPERATION AND WIRING DIAGRAMSOPERATION AND WIRING DIAGRAMS
HF TRANSFORMER
SHUNT INDUCTANCE
PRIMARY
EMC FILTER
POWER
TRANSFORMER
PRE-CHARGE
RECTIFIER BRIDGE
FILTER
CHOPPER
SECONDARY
DIODES
SECONDARY
EMC FILTER
CURRENT
TRANSFORMER
FAN
POWER SUPPLY
LED
PRIMARY CURRENT
READER
MICROCONTROLLER
UNDERVOLTAGE
SAFEGUARD
DUTY CYCLE
MAKER
ADDER
TORCH BUTTON
SOLENOID VALVE
RELAY
HF GENERATOR
SOLENOID VALVE
TORCH BUTTON
RELAY
AUXILIARY
TRANSFORMER
SECONDARY
DIODE THERMOSTAT
OUTPUT
INPUT

Related product manuals