EasyManua.ls Logo

Telwin TECHNOLOGY TIG 172 - Wiring Diagrams

Telwin TECHNOLOGY TIG 172
29 pages
Print Icon
To Next Page IconTo Next Page
To Next Page IconTo Next Page
To Previous Page IconTo Previous Page
To Previous Page IconTo Previous Page
Loading...
-7-
TECHNOLOGY TIG 172 AC/DC
WIRING DIAGRAMS
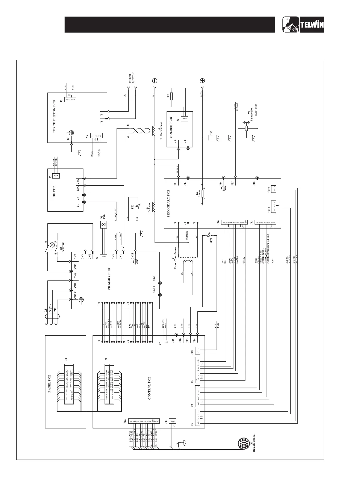
General wiring diagram

Related product manuals