EasyManua.ls Logo

Telwin TECHNOLOGY TIG 172 - Page 8

Telwin TECHNOLOGY TIG 172
29 pages
Print Icon
To Next Page IconTo Next Page
To Next Page IconTo Next Page
To Previous Page IconTo Previous Page
To Previous Page IconTo Previous Page
Loading...
-8-
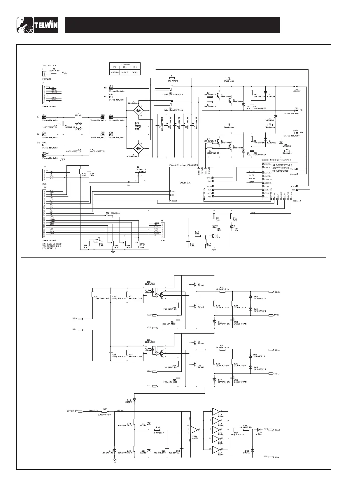
TECHNOLOGY TIG 172 AC/DC
Wiring diagram primary board - Power
Wiring diagram primary board - Driver

Related product manuals