EasyManua.ls Logo

Tempstar B Series - Wiring Diagrams and Connections; Connection and Schematic Diagrams

Default Icon
30 pages
Print Icon
To Next Page IconTo Next Page
To Next Page IconTo Next Page
To Previous Page IconTo Previous Page
To Previous Page IconTo Previous Page
Loading...
SERVICE AND TECHNICAL SUPPORT MANUAL Gas Furnace: N9MSB
Specifications subject to change without notice.
440 04 4413 02 25
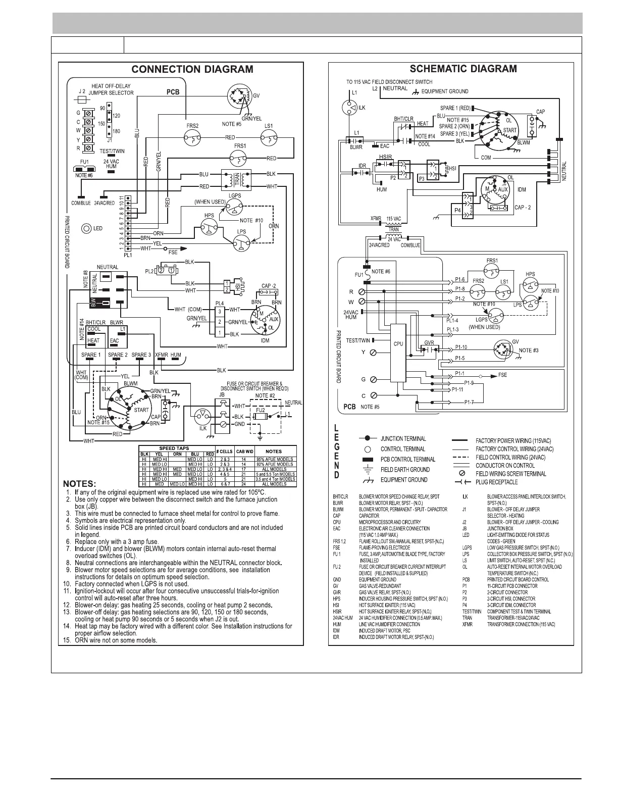
Figure 15
Wiring Diagram
3392412 Rev A

Related product manuals