EasyManua.ls Logo

Testec SI-9001 - Page 11

Testec SI-9001
11 pages
Print Icon
To Previous Page IconTo Previous Page
To Previous Page IconTo Previous Page
Loading...
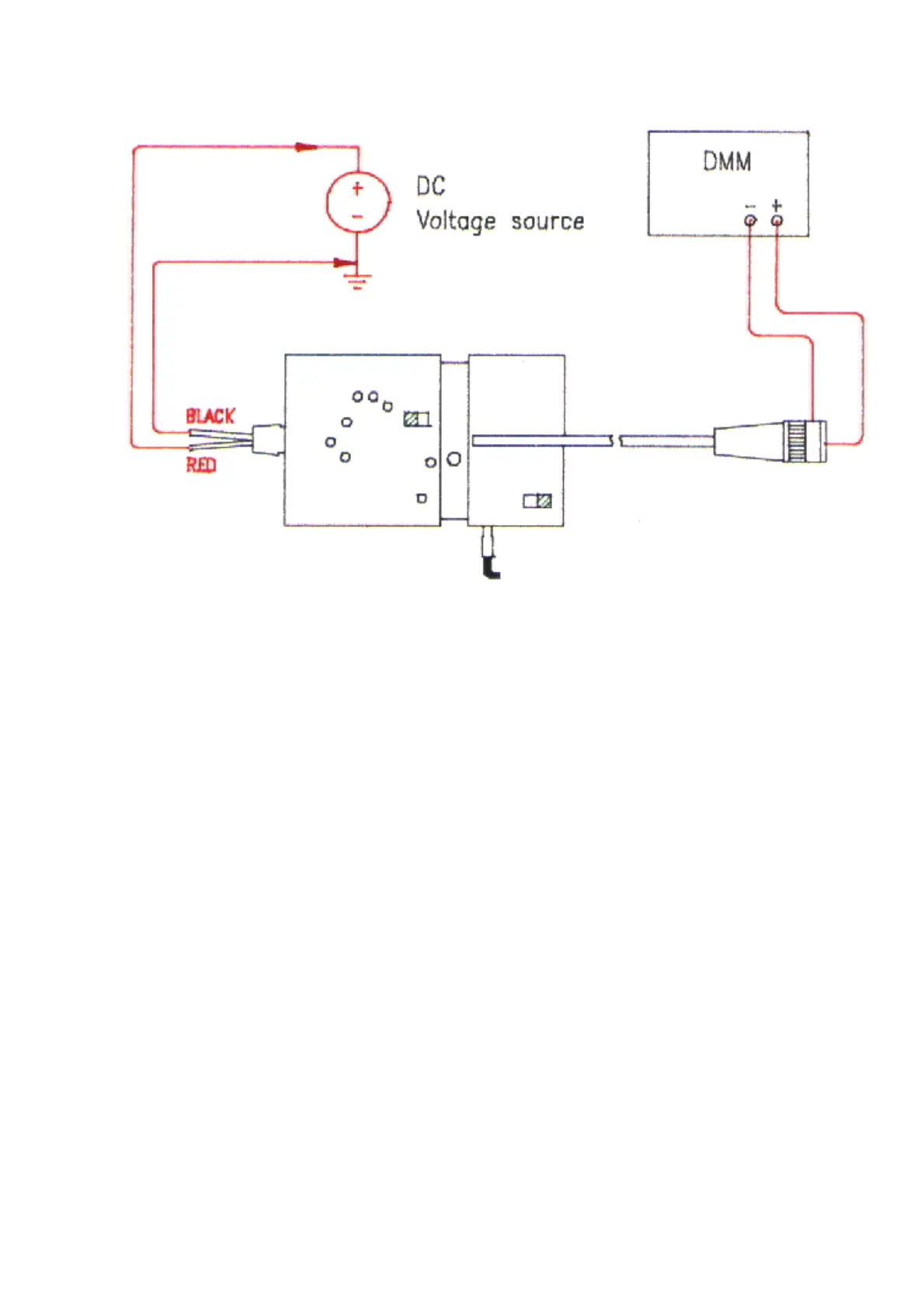
d. Adjust VR3 to make the output voltage equal to 6.9V (or 3.51V for 1/20).
Fig. 13
9

Related product manuals