EasyManua.ls Logo

Testec SI-9001 - Accuracy Adjustment Procedure

Testec SI-9001
11 pages
Print Icon
To Next Page IconTo Next Page
To Next Page IconTo Next Page
To Previous Page IconTo Previous Page
To Previous Page IconTo Previous Page
Loading...
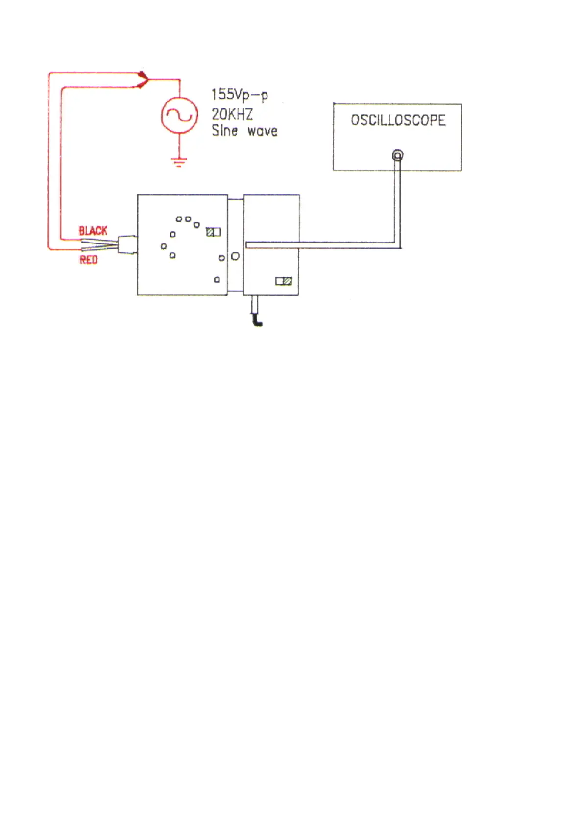
Fig. 12
1.12 Accuracy Adjustment
a. Referring to Fig. 13, connect output BNC to a DMM.
b. Connect the red input line to the positive terminal of a DC voltage source (70VDC) and the black
input line to the negative terminal source (70VDC).
c. Put SW1 at 1/10 (or 1/20).
8

Related product manuals