EasyManua.ls Logo

Testec SI-9001 - Low Frequency CMRR Adjustment

Testec SI-9001
11 pages
Print Icon
To Next Page IconTo Next Page
To Next Page IconTo Next Page
To Previous Page IconTo Previous Page
To Previous Page IconTo Previous Page
Loading...
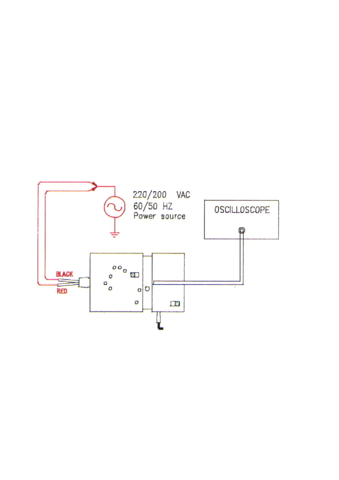
1.8 Low Frequency CMRR Adjustment
a. Referring to Fig. 9, connect output BNC to the oscilloscope which has good grounding.
b. Connect both input lines to a 220/200VAC, 60/50Hz power source.
c. Put SW1 at 1/10 (or 1/20).
d. Set the VOLTS/DIV switch on oscilloscope’s panel to 1mV and the TIME/DIV switch to 5ms. Then
a 60/50Hz sinusoid waveform should be displayed on the screen.
e. Adjust VR1 to make the amplitude of displayed waveform as small as possible. Finally the
amplitude should be less than 1.5mV.
Fig. 9
5

Related product manuals