EasyManua.ls Logo

Testec SI-9001 - Square Wave Adjustment Procedure

Testec SI-9001
11 pages
Print Icon
To Next Page IconTo Next Page
To Next Page IconTo Next Page
To Previous Page IconTo Previous Page
To Previous Page IconTo Previous Page
Loading...
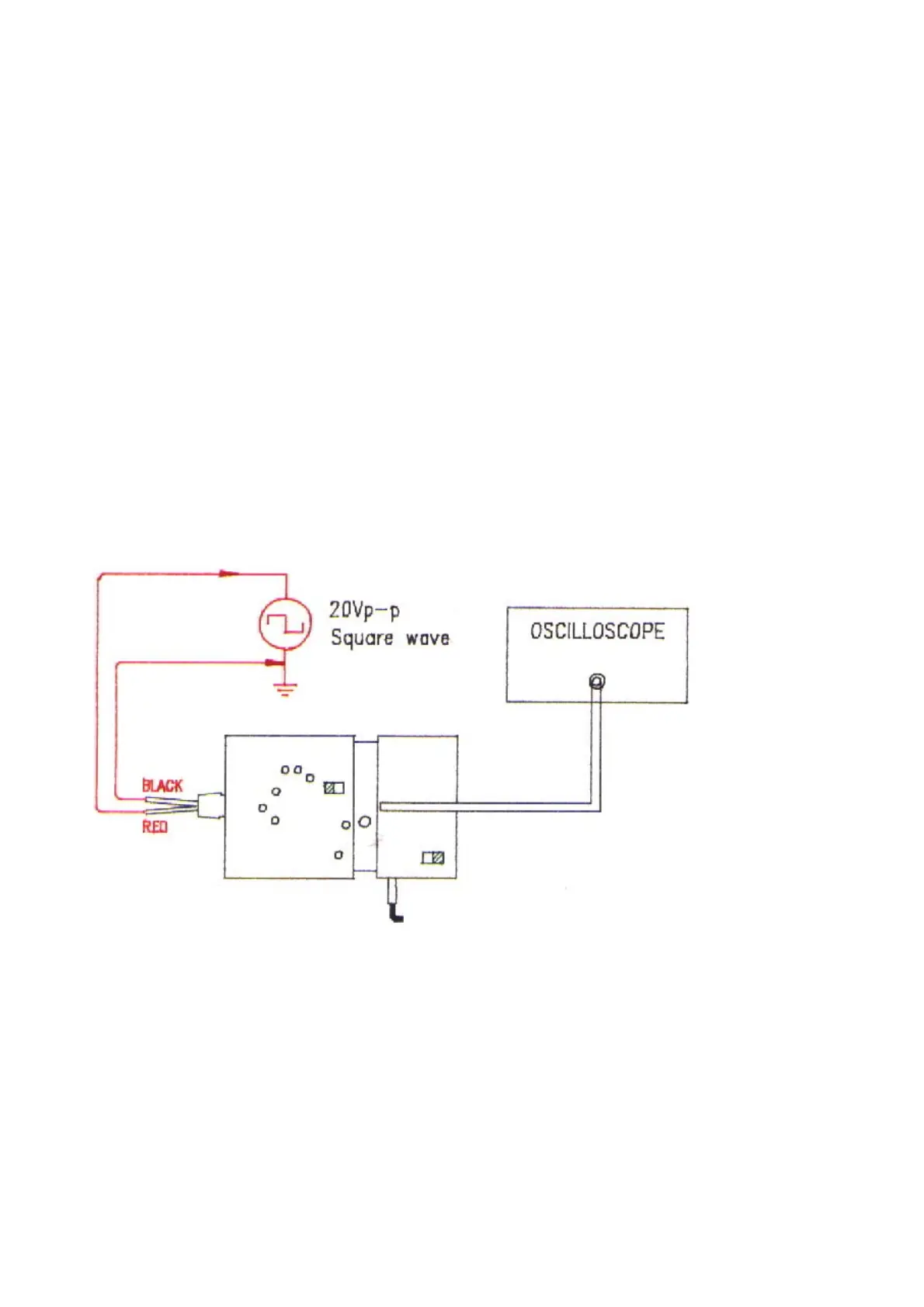
1.9 Square Wave Adjustment
a. Referring to Fig. 10, connect output BNC to the oscilloscope has good grounding.
b. Connect the red input line to a 20Vp-p, 10KHz square wave signal source and the black input line to
ground.
c. Put SW1 at 1/10 (or 1/20).
d. Set the VOLTS/DIV switch on oscilloscope’s panel to o.1V for 1/10 (or 1/20) attenuation and the
TIME/DIV switch to 20us.
e. Adjust VC1 to make the displayed waveform become as Fig 11(b).
f. Connect the black input line to 20Vp-p, 10KHz square wave signal source and the red input line to
ground.
g. Adjust VC2 to make the displayed waveform become as Fig. 11(b).
Fig. 10
6

Related product manuals