EasyManua.ls Logo

Texas Instruments 99/4A - Page 32

Texas Instruments 99/4A
146 pages
Print Icon
To Next Page IconTo Next Page
To Next Page IconTo Next Page
To Previous Page IconTo Previous Page
To Previous Page IconTo Previous Page
Loading...
FIGURE
2
-
MEMORY
MAP
MEMORY
AREA
DEFINITION
address
16
MEMORY
CONTENT
0
15
0000
WP
LEVEL
0
INTERRUPT
0002
PC
LEVEL
0
INTERRUPT
0004
WP
LEVEL
1
INTERRUPT
0006
PC
LEVEL
1
INTERRUPT
INTERRUPT
VECTORS
<
*
003C
WP
LEVEL
15
INTERRUPT
003
E
PC
LEVEL
15
INTERRUPT
0040
WP
XOP
0
0042
PC
XOP
0
XOP
SOFTWARE
TRAP
VECTORS
<
007C
WP
XOP
15
007E
PC
XOP
15
0080
GENERAL
MEMORY
AREA
GENERAL
MEMORY
FOR
PROGRAM,
DATA,
AND
<
MAY
BE
ANY
WORKSPACE
REGISTERS
COMBINATION
OF
PROGRAM
SPACE
OR
WORKSPACE
LOAD
SIGNAL
VECTOR
1
|
FFFC
WP
LOAD
FUNCTION
I
FFFE
PC
LOAD
FUNCTION
Three
internal
registers
are
accessible
to
the
user.
The
program
counter
(PC)
contains
the
address
of
the
instruction
following
the
current
instruction
being
executed.
This
address
is
referenced
by
the
processor
to
fetch
the
next
instruction
from
memory
and
is
then
automatically
incremented.
The
status
register
(ST)
contains
the
present
state
of
the
processor
and
will
be
further
defined
in
Section
3.4.
The
workspace
pointer
(WP)
contains
the
address
of
the
first
word
m
the
currently
active
set
of
workspace
registers.
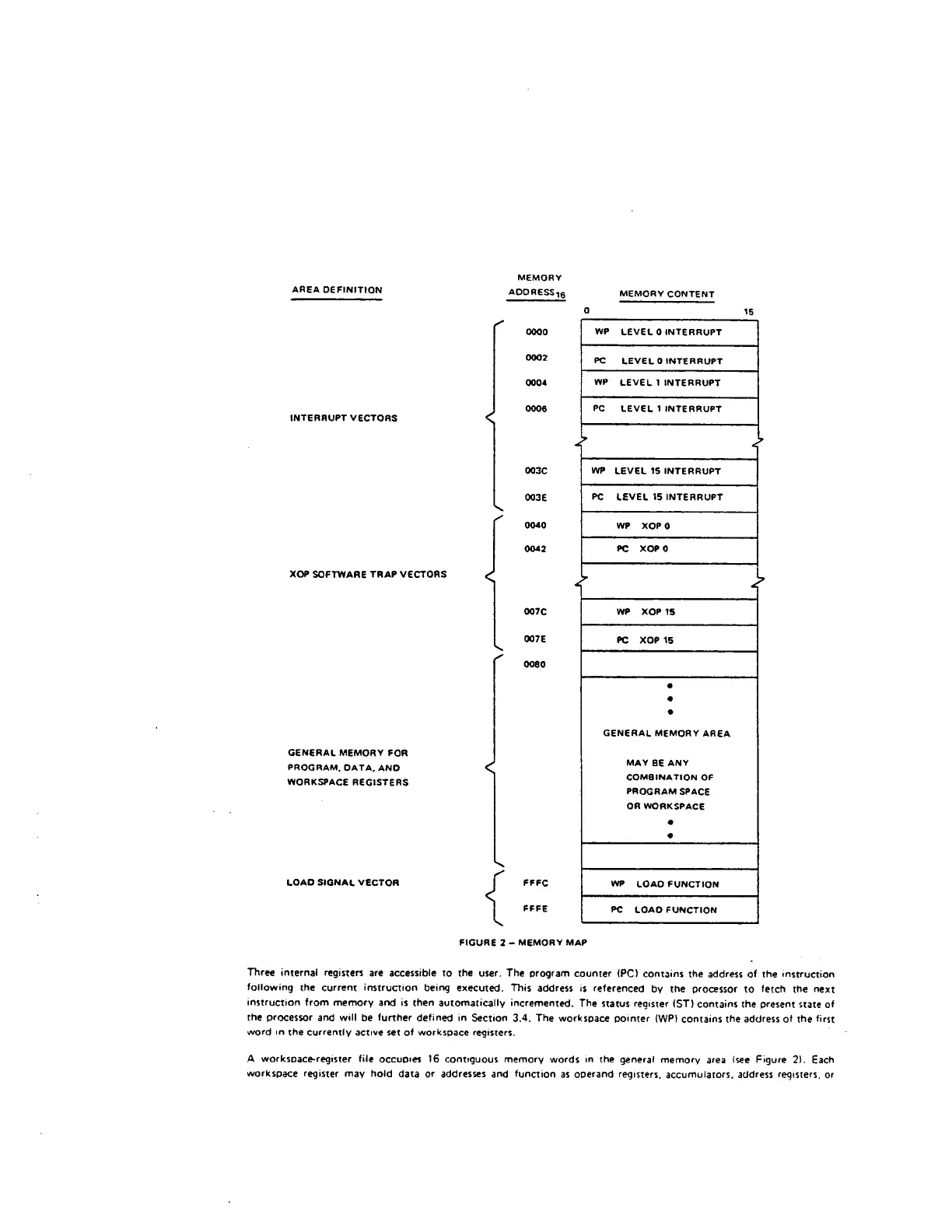
A
workspace-register
file
occupies
16
contiguous
memory
words
in
the
general
memory
area
(see
Figure
2).
Each
workspace
register
may
hold
data
or
addresses
and
function
as
operand
registers,
accumulators,
address
registers,
or

Related product manuals