EasyManua.ls Logo

Texas Instruments UCD3138 - Page 31

Texas Instruments UCD3138
64 pages
Print Icon
To Next Page IconTo Next Page
To Next Page IconTo Next Page
To Previous Page IconTo Previous Page
To Previous Page IconTo Previous Page
Loading...
Interleaved PFC: Jump across E6 and E4, and E1 and E5.
PGND
Bridgeless PFC: Jump across E2 and E6, and E3 and E1.
Vbus = 390VDC, Iout = 0.92A
DGND
3
1
3
1
1
1
1
1
1
1
Parts not used
1
1
Single-phase PFC: default connection E6 to E4.
1
1
1
1
1
1
(J4-40)
(J3-15)
(J3-7)
+
-
Vbus
(J4-10)
(J4-16)
(J4-30)
(J3-3)
(J3-4)
(J3-5)
(J3-6)
(J4-12)
(J4-8)
(J4-6)
TP23
TP22
TP24
TP20
C18
0.1uF
TP16
R71
910
SH1
R60
49.9k
TP21
E3
E2
R48
1.8k
C7
4.7nF
E4
E5
E1
E6
C32
150pF
R44
0
R43
R66
15
TP19
R64
10k
R55
5.23
TP26
D3
BAT54S
D14
C3D10060G
D13
C3D10060G
R50
1.8k
C24
0.1uF
TP17
C40
47nF
C19
0.1uF
R9
100k
TP15
R10
100k
J6
+
C34
220uF
R4
5.01k
C23
0.1uF
TP6
R40
C26
1uF
TP25
HS3
C39
47nF
R47
1.8k
R25
100k
D4
BAT54S
R69
1.6k
C36
100pF
R39
2k
C16
0.01uF
R6
0.02
R7
0.02
C22
47nF
TP18
R18
100k
R17
100k
R11
100k
D2
BAT54S
R45
100
D7
MURS160T3
R63
15
D15
BAT54S
R53
5.23
D22
BAT54S
D11
MBR0530
L1
327uH
C33
47nF
R46
100k
R67
100k
R59
49.9k
U3
OPA350EA
D8
BAT54C
R2
3.3M
R58
2k
D23
BAT54S
R12
100k
D16
6A6-T
1
N/C
2
INA
3
GND
4
INB
5
OUTB
6
VDD
7
OUTA
8
N/C
U4
UCC27324D
R65
10k
HS2
Q2
IPP60R199CP
8
7
3
1
T2
PA1005.050
+
C31
47uF
L2
327uH
Q3
IPP60R199CP
8
7
3
1
T1
PA1005.050
R26
100k
R51
100k
R62
100k
C41
47nF
D1
BAT54S
C35
100pF
D12
MBR0530
2
3
6
4
7
U1
OPA350EA
Q5
2N7002
D17
GBU8J
C4
0.1uF
VDD
GND
IN+
IN-
OUT
U5
VDD
GND
IN+
IN-
OUT
U6
C10
C11
D9
ZHCS506
D10
ZHCS506
J5
HS1
1
2
JMP1
R61
1k
R5
1k
R54
0
R41
0
R52
0
R56
10k
R57
10k
1
1
AC_L_PFC
+3_3V
IIN_SENSE
IPM
DPWM-3A
SYNC_IN
+3_3V
CT_2
DPWM-1B
DPWM-1A
CT_1
SWITCH_NODE
+3_3V
AC_NEU_PFC
+3_3V
DPWM-2A
DPWM-2B
+3_3V
+3_3V
+3_3V
SWITCH_NODE
+3_3V
VBUS_SENSE
ISENSE_SHUNT
+12V_EXT
VBUS_OV
+12V_EXT
+12V_EXT
2
2
2
2
2
2
2
2
2
2
GND_EARTH
BUS+
1
1
www.ti.com
Digital PFC Description
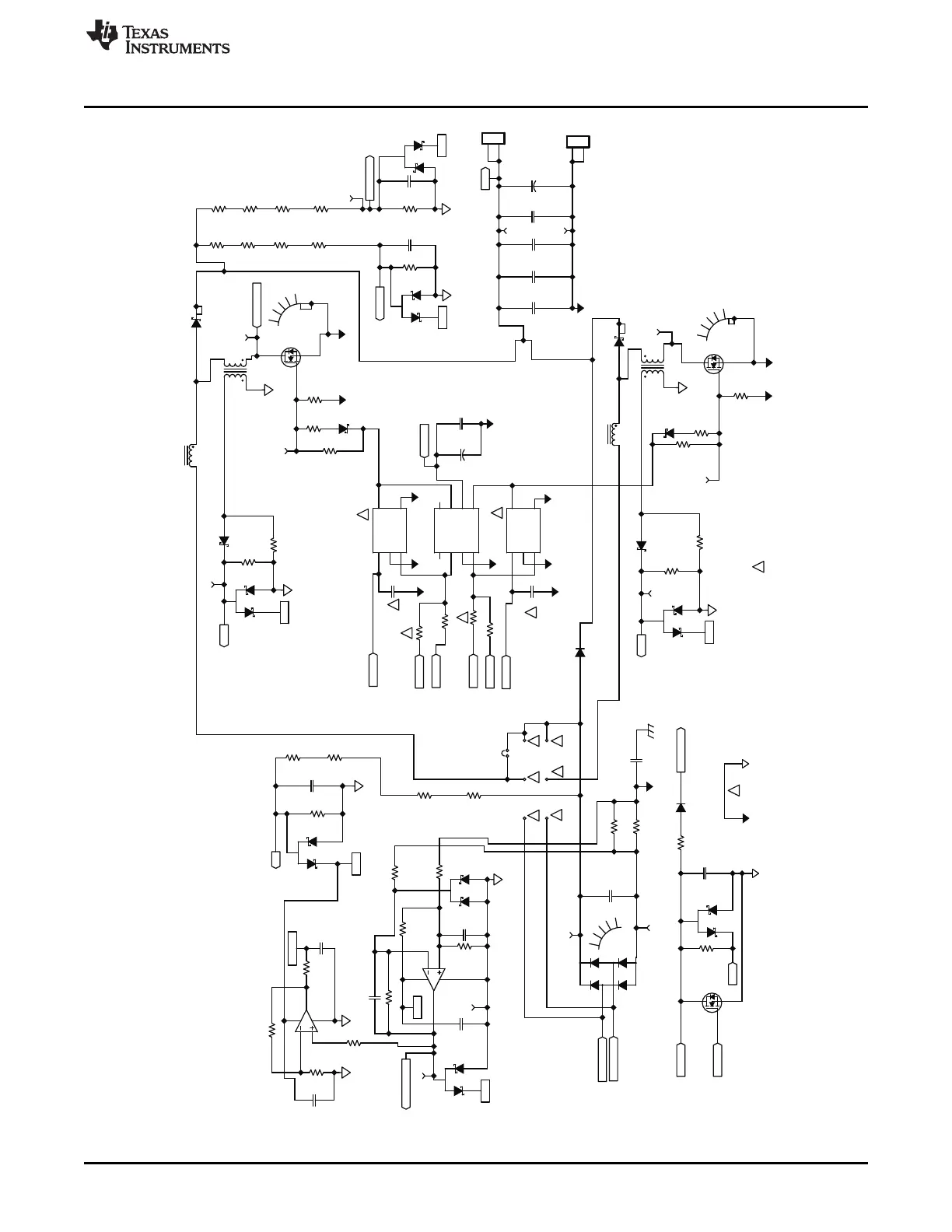
Figure 32. PFC Power Stage
31
SLUU885BMarch 2012Revised July 2012 Digitally Controlled Single-Phase PFC Pre-Regulator
Submit Documentation Feedback
Copyright © 2012, Texas Instruments Incorporated

Related product manuals