EasyManua.ls Logo

Texas Instruments UCD3138PFCEVM-026 - Page 32

Texas Instruments UCD3138PFCEVM-026
64 pages
Print Icon
To Next Page IconTo Next Page
To Next Page IconTo Next Page
To Previous Page IconTo Previous Page
To Previous Page IconTo Previous Page
Loading...
Digital PFC Description
www.ti.com
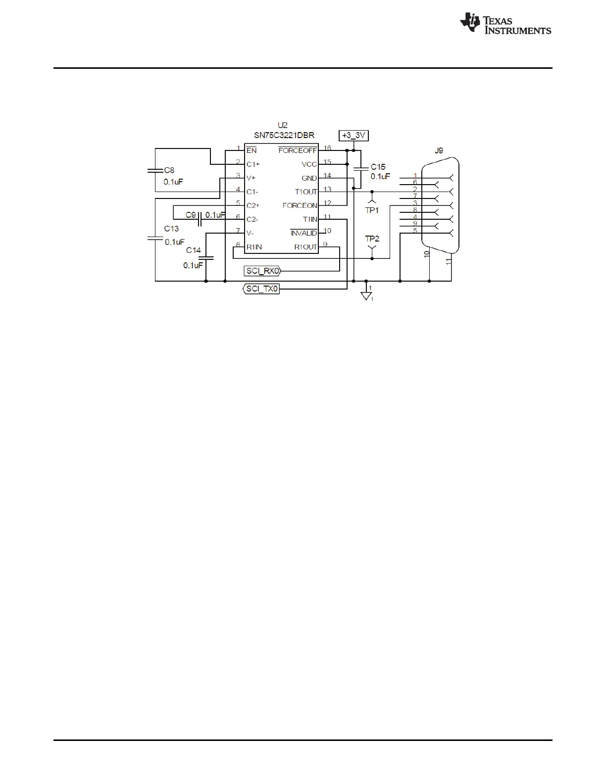
12.3.3 Non-Isolated UART Interface
The non-isolated UART interface shown in Figure 33 is used to control the PFC module from the host PC
over the serial port. It is also used to monitor some of the parameters, debug and test firmware functions.
Figure 33. Non-Isolated PFC Module to Host PC Interface
32
Digitally Controlled Single-Phase PFC Pre-Regulator SLUU885BMarch 2012Revised July 2012
Submit Documentation Feedback
Copyright © 2012, Texas Instruments Incorporated

Related product manuals