EasyManua.ls Logo

Thermo Dynamics CWL - Page 11

Thermo Dynamics CWL
32 pages
Print Icon
To Next Page IconTo Next Page
To Next Page IconTo Next Page
To Previous Page IconTo Previous Page
To Previous Page IconTo Previous Page
Loading...
9
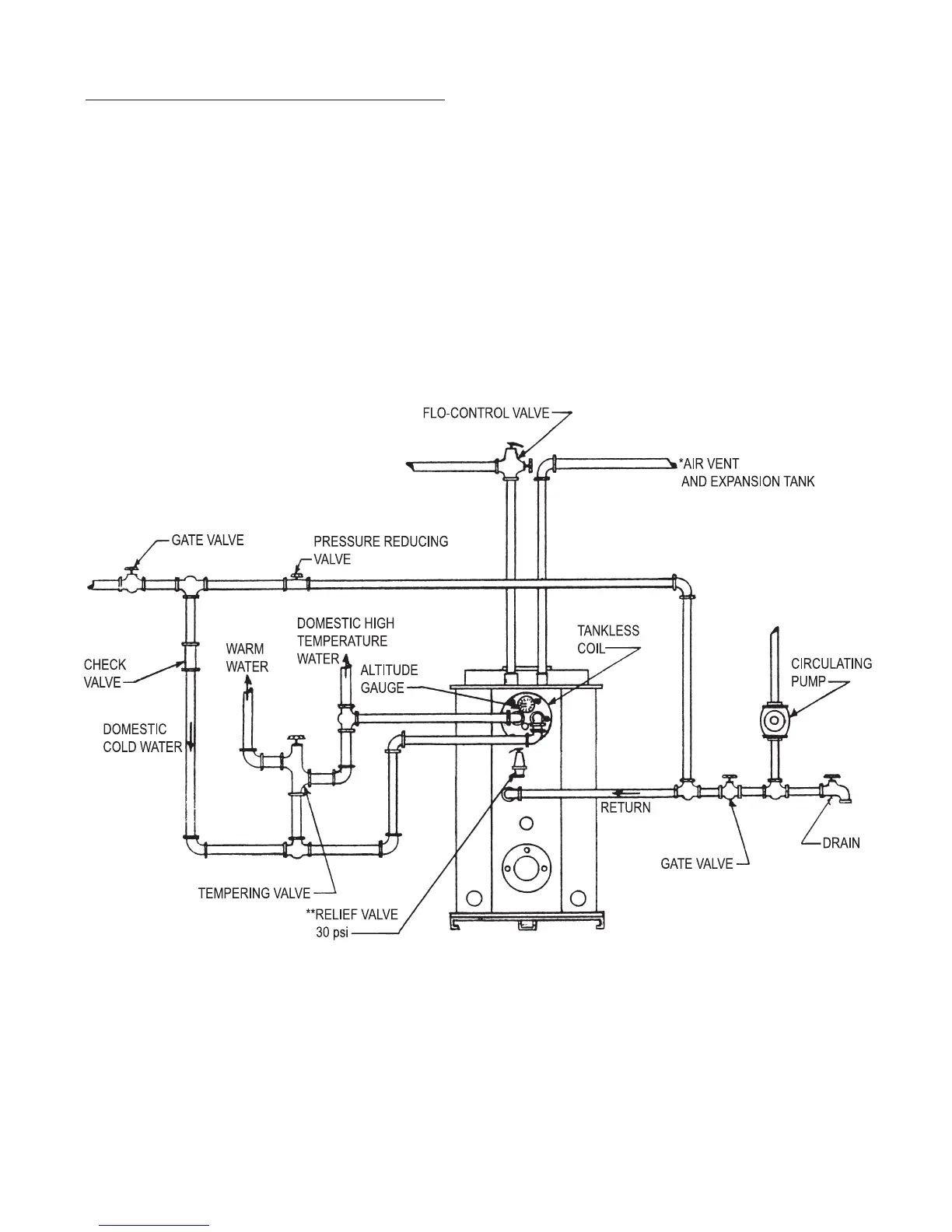
IX TANKLESS WATER HEATING PIPING
The tankless heater may be connected as shown in Figure 3. A mixing valve (not supplied) may be used
to reduce the water temperature at kitchen or bathroom taps. High temperature water for a dishwasher
may be obtained by piping as shown.
The nuts that secure the tankless coil flange should be tightened before the boiler is filled with water,
after initial firing and every year during annual maintenance. Deterioration due to coil gasket leaks shall
void warranty.
* Venting - Refer to Section VI BOILER PIPING
** Relief Valve discharge and drain valve piping
should be piped to a safe place of discharge.
CWL Boiler Piping
Figure 3