EasyManua.ls Logo

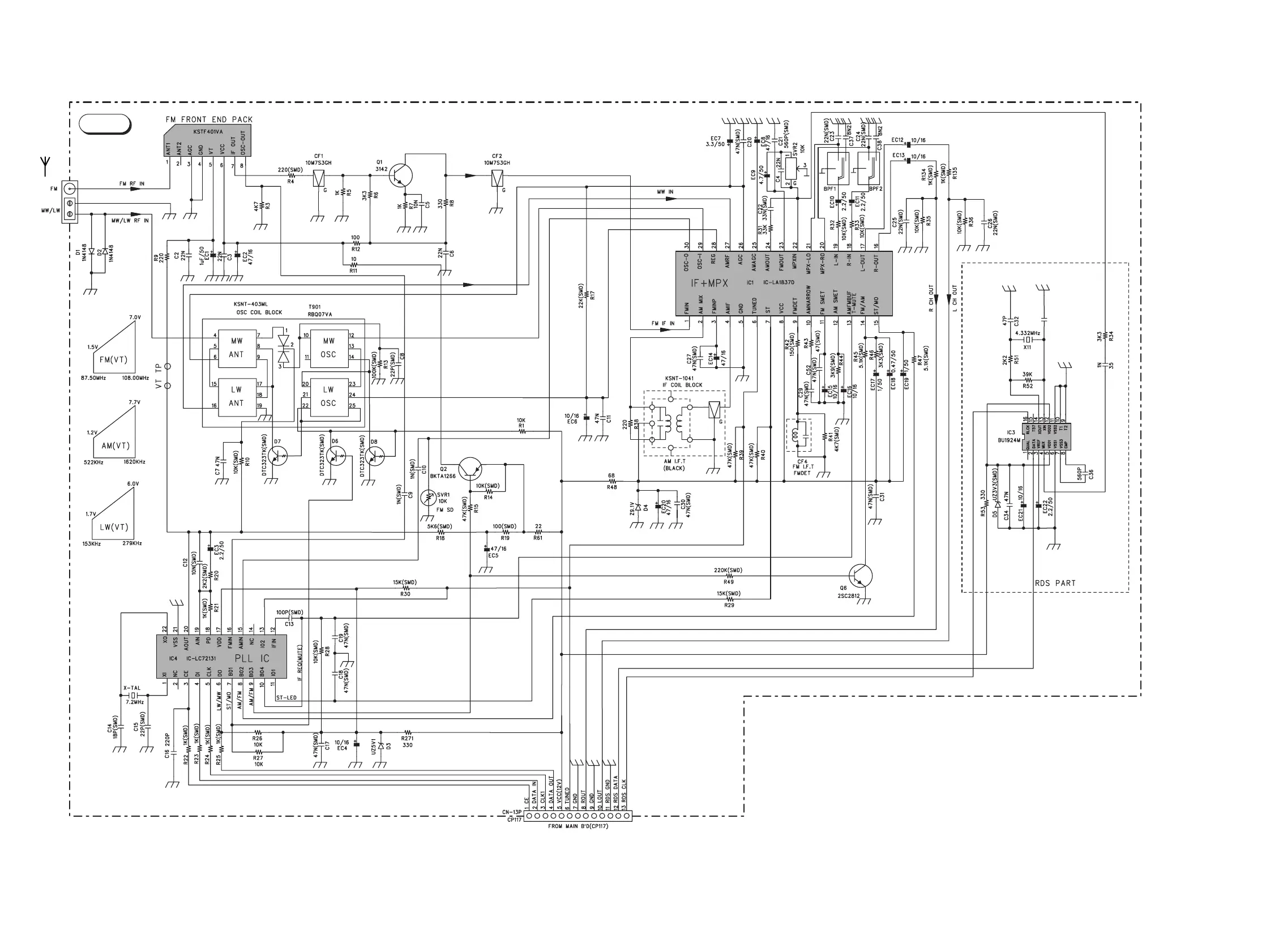
THOMSON DPL 500 - RF;FI Schematic Diagram

THOMSON DPL 500
17 pages
Print Icon
To Next Page IconTo Next Page
To Next Page IconTo Next Page
To Previous Page IconTo Previous Page
To Previous Page IconTo Previous Page
Loading...
5
PAV 5005R/500
6 First issue 08 / 00
RFFI
RF / FI SCHEMATIC DIAGRAM - SCHEMA HF / FI - SCHALTBILD HF / ZF - SCHEMA HF / FI - ESQUEMA RF / FI
www.freeservicemanuals.info
Digitized in Heiloo Netherland

Related product manuals