EasyManua.ls Logo

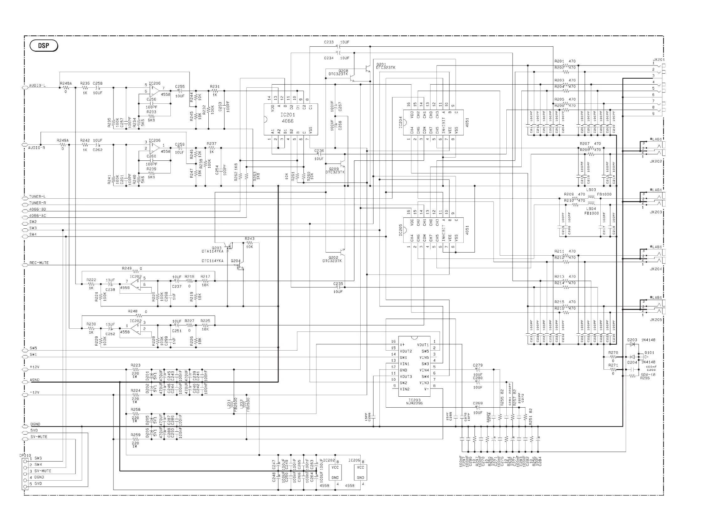
THOMSON DPL590HT - SCHEMA DU TRAITEMENT DIGITAL

THOMSON DPL590HT
10 pages
Print Icon
To Next Page IconTo Next Page
To Next Page IconTo Next Page
To Previous Page IconTo Previous Page
To Previous Page IconTo Previous Page
Loading...
7
PAV 1010P
Updated 05 / 05 8 First issue 07/04
DIGITAL PROCESSING SCHEMATIC DIAGRAM - SCHEMA DU TRAITEMENT DIGITAL - SCHALTBILD DIGITALVERARBEITUNG - SCHEMA ELABORAZIONE DIGITALE - ESQUEMA DEL
TRATAMIENTO DIGITAL

Related product manuals