EasyManua.ls Logo

THOMSON THPRIMO245DFULL - Page 73

THOMSON THPRIMO245DFULL
Print Icon
To Next Page IconTo Next Page
To Next Page IconTo Next Page
To Previous Page IconTo Previous Page
To Previous Page IconTo Previous Page
Loading...
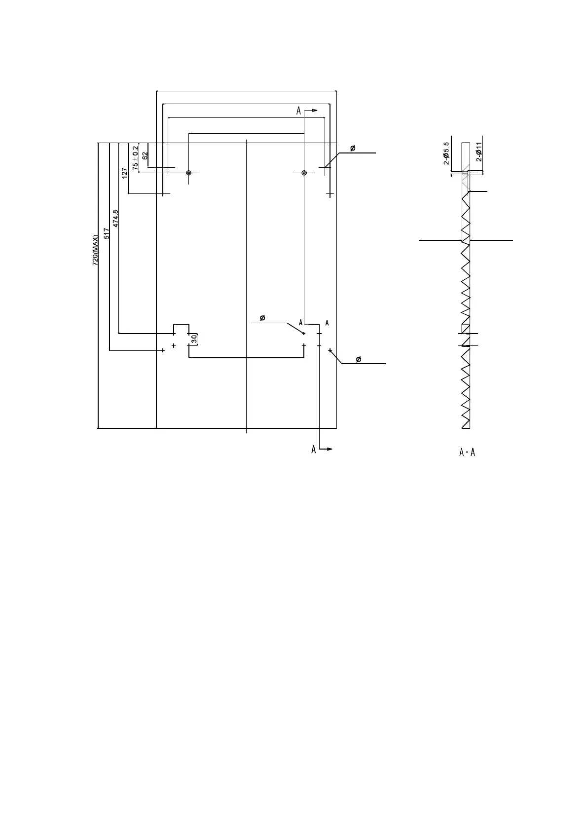
Het esthetisch paneel voorbereidenenmonteren (niet meegeleverd)
(Eenheid: mm)

3D
. #2
3D #2
2#+ #2
2.
3
 2

 2

2 2
2 ?,M
+
1. Het esthetische paneel kan worden klaargemaakt overeenkomstig de hie
rboven aangegeven afmetingen.
2. Maak de keukenkastdeur aan de vaatwasmachinedeur vast met behulp
van de meegeleverde schroeven, bouten en beugels.
3. Verwijder de vier schroeven aan de binnenkant van de
vaatwasmachinedeur en maak vervolgens de keukenkastdeur vast aan
de vaatwasmachinedeur door de vier lange schroeven in te brengen en
vast te draaien.
NL-11

Related product manuals