EasyManua.ls Logo

Thytronic XMR-V 4V - Page 311

Thytronic XMR-V 4V
384 pages
Print Icon
To Next Page IconTo Next Page
To Next Page IconTo Next Page
To Previous Page IconTo Previous Page
To Previous Page IconTo Previous Page
Loading...
FUNCTION CHARACTERISTICS
311
RESET
t
df
>>>
def
0T
TRIPPING MATRIX
(LED+RELAYS)
t
df
>>>
def
d
f>>>
Start
d
f>>>
Start
d
f>>>
Trip
d
f>>>
Trip
d
f>>>
Block1
&
&
&
Enable (ONEnable)
Block1 input (ONBlock)
Block1
Block1
Binary input INx
T 0
Logic
INx
t
ON
INx
t
ON
INx
t
OFF
T0
n.o.
n.c.
INx
t
OFF
&
(ON
Inhibit
)
d
f>>
inhibition
&
(ON
Inhibit
)
d
f>
inhibition
d
f>
disbyd
f>>>
d
f>>
disbyd
f>>>
Fun-F81R_S3.ai
d
f>>>
ST-K
d
f>>>
ST-L
d
f>>>
TR-K
d
f>>>
TR-L
df>>>BLK1
A
A Positive
C Negative
B Module
B
C
From 4th element
(ONInhibit)
d
f>>>
inhibition
&
≥1
d
f
d
f
≥ d
f
>>>
def
d
f
>>>
def
Mode-d
f
d
f
≤ -d
f
>>>
def
f
U
L1
U
L1
≥20%U
n
16 f 90 Hz
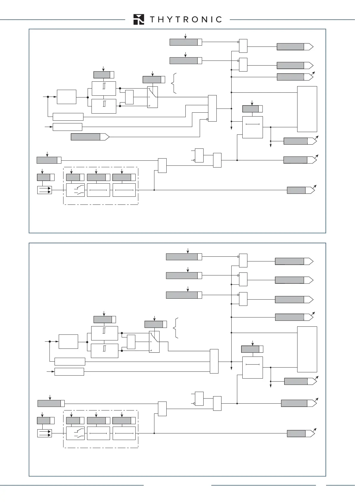
Logic diagram concerning the third threshold (df>>>) of the frequency rate of change element - 81R
RESET
t
df
>>>>
def
0T
TRIPPING MATRIX
(LED+RELAYS)
t
df
>>>>
def
d
f>>>>
Start
d
f>>>>
Start
d
f>>>>
Trip
d
f>>>>
Trip
d
f>>>>
Block1
&
&
&
Enable (ONEnable)
Block1 input (ONBlock)
Block1
Block1
Binary input INx
T 0
Logic
INx
t
ON
INx
t
ON
INx
t
OFF
T0
n.o.
n.c.
INx
t
OFF
&
(ON
Inhibit
)
d
f>>
inhibition
d
f>>
disbyd
f>>>>
&
(ON
Inhibit
)
d
f>>>
inhibition
d
f>>>
disbyd
f>>>>
&
(ON
Inhibit
)
d
f>
inhibition
d
f>
disbyd
f>>>>
Fun-F81R_S4.ai
d
f>>>>
ST-K
d
f>>>>
ST-L
d
f>>>>
TR-K
d
f>>>>
TR-L
df>>>>BLK1
A
A Positive
C Negative
B Module
B
C
&
≥1
d
f
d
f
≥ d
f
>>>>
def
d
f
>>>>
def
Mode-d
f
d
f
≤ -d
f
>>>>
def
f
U
L1
U
L1
≥20%U
n
16 f 90 Hz
Logic diagram concerning the fourth threshold (df>>>>) of the frequency rate of change element - 81R
XMR-D EQUIPMENT MANUAL
Ed. 2.9 - 02/2021

Table of Contents

Related product manuals