EasyManua.ls Logo

Thytronic XMR-V 4V - Page 339

Thytronic XMR-V 4V
384 pages
To Next Page IconTo Next Page
To Next Page IconTo Next Page
To Previous Page IconTo Previous Page
To Previous Page IconTo Previous Page
Loading...
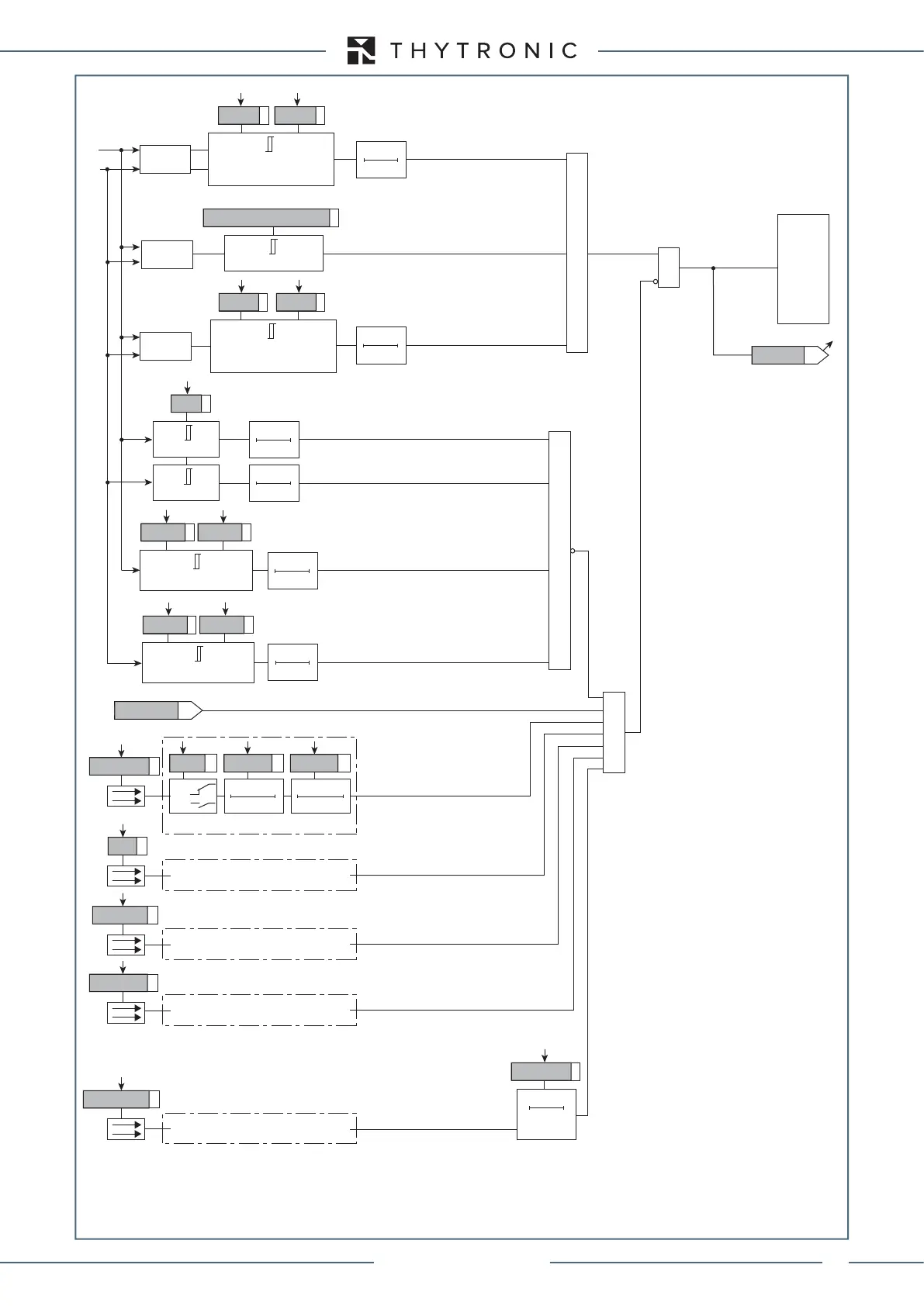
FUNCTION CHARACTERISTICS
339
A
-
A
+
A = 360 ∙ (tCB-CLOSE + tMEAS) ∙ ∆f
Rof>SYNC
measure
&
TRIPPING MATRIX
(LED+RELAYS)
Sync
STOP-SYNC
&
&
Binary input INx
T 0
Logic
INx
t
ON
INx
t
ON
INx
t
OFF
T0
n.o.
n.c.
INx
t
OFF
Sync-TR-K
Sync-TR-L
measure
f
f
-12
df
12-SYNC
df
12-SYNC
df
21-SYNC
f
-21
df
21-SYNC
(f1≥f2)
(f2≥f1)
52a
Binary input INx
Binary input INx
CB READY
FUSE, MCB
Binary input INx
Binary input INx
START-SYNC
t
STAB
0T
t
STAB
0T
t
STAB
0T
timeout-
SYNC
timeout-
SYNC
0T
RESET
t
STAB
0T
t
STAB
0T
(V1≥V2)
V
1
V
4
measure
V
V
dV
12-SYNC
dV
12-SYNC
dV
21-SYNC
(V2≥V1)
V
dV
21-SYNC
t
STAB
0T
f
1
=
f
n
±
f
range
f
range
f
2
=
f
n
±
f
range
V
min
-
SYNC
V
min
-
SYNC
V
1
<
V
max
-
SYNC
V
max
-
SYNC
V
min
-
SYNC
V
min
-
SYNC
V
4
<
V
max
-
SYNC
V
max
-
SYNC
Synchrocheck function (25) for syncronous systems (25 logic 0 - live V1 and V2)
“1” with unstable frequency (
block
)
“1” with
Stop control ON
“1” with Circuit Breaker closed
“0” with Circuit Breaker
ready
“1” wit
, MCB, fuses trip
Start sync control
1" with ΔV below threshold
1" with
below threshold
1" with
f
below threshold
1" with
V
1
inside the
V
min
-
SYNC
and V
max
-
SYNC
range
1" with
V
2
inside the
V
min
-
SYNC
and V
max
-
SYNC
range
1" with
f
1
inside the f
n
±
f
range
range
1" with
f
2
inside the f
n
±
f
range
range
XMR-D EQUIPMENT MANUAL
Ed. 2.9 - 02/2021

Table of Contents

Related product manuals